Типы плит перекрытия: правила укладки на фундамент, стену
Какие бывают плиты перекрытия — Всё о бетоне
Еще до начала процесса строительства на этапе проектирования будущего сооружения встает вопрос выбора перекрытия. Они представляют собой железобетонные конструкции, которые применяются при возведении любого объекта. С помощью этих универсальных строительных элементов создаются междуэтажные перекрытия и несущие конструкции зданий. Плиты перекрытия – надежный стройматериал, который необходим в любом каркасном строительстве. Согласно статистике, количество этих элементов составляет 30% от всего количества ЖБИ, используемых при возведении зданий.
Схема расположения пустот
Чтобы обеспечить конструкции прочность и долговечность, плиты дополнительно армируются.
Для этой цели применяется как обычная арматура, так и предварительно напряженная. После армирования перекрытие применяется в качестве несущей конструкции и может выдержать нагрузку до 6 кПа. Правильный монтаж и эксплуатация этих строительных элементов обеспечивает довольно длительный срок их службы, до нескольких десятилетий.
Общая классификация
Эти изделия можно разделить по типу на:
- балочные;
- безбалочные.
Какими еще могут быть плиты перекрытия? Иное подразделение:
- монолитные;
- сборные;
- сборно-монолитные.
Перекрытия делятся и по форме поперечного сечения:
- ребристые;
- пустотные: с круглыми, овальными и вертикальными пустотами;
- сплошные.
Схема монтажа плит перекрытия.
Перекрытие включает следующие составные части: конструктивную, верхнюю и нижнюю. Несущую конструкцию создает конструктивная часть, она передает полезную нагрузку и свой вес на опоры. В связи с этим основным фактором при расчетах перекрытий здания является допустимая норма нагрузки.
Нижнюю часть перекрытия создают из штукатурки, плиточных материалов или разного рода обшивок. Верхнюю часть формируют конструкции полов и выравнивающие стяжки. В большей степени нижняя и верхняя части обеспечивают тепло- и звукоизоляцию.
Конструктивную часть перекрытия монтируют из сборных или монолитных плит. Монолитное перекрытие лучше делать из железобетона, иногда для этих целей применяют преднапряженный бетон, некоторые элементы могут быть из обычного либо легкого бетона, еще могут использоваться керамические вкладыши.
Массивные перекрытия изготавливают из монолитного бетона либо из сборных монолитных и железобетонных конструкций. К массивным перекрытиям относятся:
- железобетонные многопустотные;
- полнотелые железобетонные изделия;
- железобетонные сталекаменные и ребристые перекрытия;
- плито-балочные изделия.
Расчет допустимой нагрузки
Схема анкеровки железобетонной плиты перекрытия.
Для того чтобы понять, какие нагрузки выдерживают плиты перекрытия, нужно сделать расчет. Это следует сделать и для того, чтобы избежать разрушения строительных конструкций. Не стоит объяснять, что произойдет, если расчеты окажутся неправильными и по стенам поползут трещины.
Расчет нагрузок лучше считать по двум категориям: статическим и динамическим. Все, что прибито к плите, лежит или висит, относится к статическим нагрузкам. К динамическим – все, что движется, прыгает и падает. Бывают нагрузки, которые распределены неравномерно и равномерно, сосредоточенные и др. При расчете нагрузок для строительства обычного жилого дома эти показатели не нужны. Для этого процесса учитываются равномерно распределенные нагрузки, которые определяются кг-силами (кгс/м) или Ньютонами на м.
Для обыкновенных перекрытий жилого дома учитывают распределенную нагрузку, равную 400 кг на 1 кв.м. К этой цифре добавляют вес плиты, равный приблизительно 2,5 ц. Стяжка и керамика могут добавить еще около 100 кг. Получается вес около 750 кг, его нужно умножить на коэффициент надежности, равный 1,2. В итоге получим значение, равное приблизительно 900 кг/кв.м.
Пустотные аналоги
Схема устройства пустообразователей
Отвечая на вопрос, какие плиты чаще всего применяются в строительстве, следует заметить, что зависит это от типа возводимого объекта.
Но все же чаще применяется три вида: пустотные, ребристые, монолитные. Пустотные используют для возведения зданий из кирпича, бетона и стеновых блоков. Благодаря воздушным полостям, теплоизоляционные и звукоизоляционные свойства у них лучше, чем у других видов.
Наличие пустот значительно повышает эксплуатационные характеристики этих строительных элементов. Звукоизоляционные и теплоизоляционные свойства у них лучше, потому что полости гасят вибрации и создают воздушную прослойку, создающую дополнительное тепло. На производство таких плит расходуется значительно меньшее количество сырья, что обеспечивает их относительно невысокую стоимость и делает этот стройматериал довольно экономичным элементом конструкции.
Укладывают пустотные плиты перекрытия на несущие стены – наружные или внутренние. Прежде всего из цементного раствора формируется подушка, после этого производится укладка этих конструкционных элементов, далее их закрепляют анкерами. Монтируют пустотные плиты так, чтобы свести потери тепла в мостиках холода к минимуму.
Схема армирования плиты перекрытия.
Пустотные плиты применяют в строительстве разных типов сооружений и зданий. Широкое использование им обеспечили их высокие эксплуатационные характеристики. Применяются такие конструкционные элементы не только в жилом строительстве, но и в промышленном. Используются эти, например, при сооружении многих тоннелей и теплотрасс.
При изготовлении этих стройматериалов нижняя сторона выравнивается, после этого они готовы к дальнейшей отделке. Впоследствии эта сторона станет потолком в одном из помещений. Так как вторая сторона будет основанием пола, ее внешний вид при производстве особой роли не играет.
В пустотных применяются разные варианты сечения. Пустоты могут быть овальными, круглыми, также бывают конструкции с вертикальными пустотами.
Разновидности конструкций
Благодаря пустотным появляется возможность делать в перекрытии отверстия, предназначенные для разных систем. Это хорошо, например, для монтажа вентиляционных систем. Все эти строительные элементы имеют высокую прочность, а их технология производства такая, что на выходе получатся плиты, имеющие точно заданные параметры.
Схема усиления железнобетонной плиты перекрытия.
Изготавливают подобные конструкционные элементы из разных видов бетона. Зависит это от того, в какие здания предполагается их монтировать. Пустотные плиты могут быть произведены как из тяжелого бетона, так и из конструкционного, отличающегося высокой плотностью и при этом меньшим весом. Может применяться для изготовления этих элементов и силикатный бетон.
Между собой перекрытия отличаются шириной, длиной, предельной нагрузкой и высотой сечения. То, что эти изделия имеют длительный срок службы и их прочностные характеристики довольно хороши, обусловлено также использованием в их производстве стальных канатов и напряженной арматуры.
Ребристые виды
Этот вид лучше всего применяется для сооружения кровли разных промышленных зданий и сооружений. Используют их, например, для гаражей, ангаров, складских помещений и др. В основном это помещения неотапливаемые и имеющие довольно большую площадь.
Крупные ребристые плиты отвечают требованиям беспрогонной системы покрытий, применяющейся при строительстве одноэтажных промышленных помещений. В основе этой системы лежит необходимость укрупнения элементов и уменьшение числа монтажных единиц.
Изделия, ширина которых равна 3 м, более экономичны, чем плиты, имеющие ширину 1,5 м. Связано это с тем, что для их монтажа требуется меньше трудозатрат. Помимо этого, они не создают изгибов в стропильной системе с панелями в 3 м в верхнем поясе.
В плитах с пролетом 6 м предусматривается предварительное напряжение, но они могут быть изготовлены и без него. А вот 12-метровые конструкционные элементы изготавливаются исключительно предварительно напряженными. Масса таких может достигать 4 т. Плиты перекрытий представляют собой ребристые конструкции в виде системы нескольких поперечных и двух продольных ребер. Именно на них и будет лежать тонкая монолитно связанная полка.
Схема монтажа плиты перекрытия.
Для армирования полок плит используют сварные сетки.Для выполнения надежного монтажа этих изделий к железобетонной балке на концах продольных ребер из уголков делают стальные закладки, к которым привариваются анкеры. Такие закладные детали помогают предохранять торцы ребер от разрушений при передаче усилий. Плиты нужно приваривать к несущей конструкции минимум по трем углам.
В плитах предусматриваются отверстия, для того чтобы была возможность провести через кровлю вентялиционные шахты и различные трубопроводы. В одной плите может быть только одно отверстие круглой или прямоугольной формы.
Монолитные конструкции
Схема опирания пустотных плит перекрытия.
Эти плиты представляют собой цельные армированные железобетонные конструкции. По сравнению с другими типами подобных конструкционных элементов их прочность лучше, она наибольшая. Применяются они в основном в строительстве многоэтажных сооружений, в тех местах, где повышена силовая нагрузка. Монолитные железобетонные конструкции, образующие цельную горизонтальную плоскость, возводят непосредственно на стройке.
Форма такого перекрытия может быть любой. Это позволяет снять с проекта дома планировочные ограничения, присутствующие в том случае, если производится монтаж сборных бетонных конструкций.
Рассмотрим, какие стадии входят в процесс возведения:
- устройство опалубки;
- укладка арматурного каркаса;
- заливка цемента;
- демонтаж опалубки после того, как будет набрана прочность.
Для изготовления опалубки монолитного перекрытия используется обрезная доска или фанера. Лучше применять последний материал , потому что он позволяет образовать ровную поверхность, имеющую меньшее количество швов. Металлическая опалубка тоже является довольно удачным вариантом.
Под горизонтальные металлические или деревянные балки, на которые опираются плоские конструкционные элементы опалубки, расставляются вертикальные стойки. Желательно, чтобы они были металлическими и регулируемыми по высоте, потому что с их помощью легче выставлять горизонтальную плоскость, необходимую для заливки.
После сборки опалубка должна иметь абсолютную жесткость и выдерживать не только массу залитого бетона и вес арматуры, но и различные дополнительные нагрузки.
Собирая арматурный каркас монолитного перекрытия, нужно позаботиться об обеспечении его ровной пространственной геометрии. Первый слой арматуры необходимо поднять на 20-50 мм над плоскостью опалубки. Это расстояние представляет собой защитный слой бетона. Изменение его значения зависит от толщины перекрытия и расчетных параметров. Необходим защитный слой для того, чтобы предотвратить коррозию арматуры и обеспечить огнестойкость конструкции.
Для того чтобы поднять арматурный слой над опалубкой, его нужно установить на специальные пластиковые фиксаторы, рассчитанные на разную толщину защитного слоя и сечение арматуры. Второй арматурный слой поднимают над первым с помощью поддерживающих арматурных элементов.
Хранение материалов
Схема монтажа монолитных плит перекрытия.
От покупки железобетонных плит перекрытия до их применения по назначению может пройти некоторый отрезок времени, иногда он может быть довольно большим, к тому же находиться изделия могут в неподходящих погодных условиях. Неправильное хранение способно привести к серьезному снижению качественных характеристик железобетонных изделий.
Есть несколько правил, которые следует соблюдать при хранении этих стройматериалов. Прежде всего, должен отсутствовать контакт плит с землей. Их нужно укладывать на параллельно уложенные деревянные брусья, расположенные на расчищенной ровной площадке.
Контакт между отдельными изделиями также должен отсутствовать, они должны быть размещены удобно, чтобы избежать повреждения плит. Поэтому хранить их можно только петлями вверх, каждое изделие должно быть проложено деревянными брусками. Их располагают в 25-30 см от краев, в районе петель. Независимо от того, сколько изделий будет одновременно храниться, недопустимо, чтобы высота штабеля превышала 2,5 м.
Даже если всего 2-3 плиты окажутся лишними, для них все равно следует отвести отдельную ровную площадку.
После того как штабель будет уложен, его необходимо полностью накрыть полиэтиленовой пленкой. В случае когда это невозможно, следует смонтировать навес, выступающий за края плит на 1 м, чтобы уберечь бетон от попадания атмосферных осадков при боковом ветре.
Чтобы уберечь изделия в теплый период от различных живых организмов, грибков, плесени, насекомых, нужно перед складированием обработать их каким-либо репеллентом или антисептическим средством. Хотя даже для довольно длительного хранения плит может быть достаточным просто беречь их от образования на изделиях грязи и влаги.
Основное назначение плит перекрытия и как их правильно выбрать?
Плита перекрытия – это строительный материал, необходимый для разделения дома на этажи. Данный элемент берет на себя нагрузку от мебели, людей, оборудования.
Поэтому очень важно, чтобы конструкция была прочной и долговечной. Немаловажное значение имеет также тепло- и звукоизоляция.
Преимущества плит перекрытий
Такие материалы имеют немало плюсов по сравнению с другими аналогами:
- высокая скорость строительства;
- высокая звуко- и теплоизоляция;
- возможность возводить здание любой этажности;
- полная готовность к монтажу при покупке.
К минусам относится высокая стоимость, сложность транспортировки и необходимость применения специальной техники для монтажа. В то же время на выходе мы получаем прочные перекрытия, которым не страшны влага, морозы, сильные механические нагрузки и другие факторы.
Область применения
Изготавливаются данные элементы исключительно на заводах с применением бетона высокого качества, а также армирующих компонентов. Существуют различные типы ЖБ плит, которые разнятся в зависимости от применения, используемых материалов, вида монтажа, форме пустот и их количества, толщины, а также других нюансов.
Плиты бывают:
- межэтажные;
- цокольные;
- подвальные;
- чердачные.
Какие плиты перекрытия купить для строительства частного дома?
Если речь идет о загородном строительстве коттеджа, то подойдут пустотные плиты. Это значит, что внутри конструкции находятся пустоты в форме груши или круга, и идут они по всей длине. Это уменьшает вес, и в то же время увеличивает изоляционные параметры.
Плиты перекрытия делятся на две большие группы:
- ПК. Такая технология существуют уже несколько десятков лет и применяется в основном в типовом строительстве. Изготовление осуществляется в опалубках из металла, куда устанавливаются образователи пустот и арматура. Далее форма отправляется на вибростол, в нее заливается бетон класса В15 и выше. Далее производится уплотнение раствора и нагрев материала. После этого плита извлекается из опалубки, а из нее затем извлекаются образователи пустот.
- ПБ. Технология изготовления этих плит принципиально иная – более совершенная и рассчитанная на индивидуальное строительство.
Плиты перекрытия ПБ представлены в расширенном ассортименте. Формируются изделия на специальном стенде большой длины. Предварительно он обрабатывается веществом, препятствующим прилипанию бетона. Затем производится монтаж арматуры и установка пустообразователей. На линию в движении накладывается бетонная смесь класса В30 и более. Далее производится нагрев до достижения максимальной прочности и разрезание полотна по заданной длине.
В продаже есть плиты перекрытия и других групп, но ПК и ПБ – наиболее распространенные.
Какие существуют размеры?
В строительных магазинах можно найти плиты перекрытия в широком ассортименте. Ниже приведена таблица основных размеров таких изделий:
Как выбрать плиту перекрытия и не ошибиться?
В первую очередь необходимо определиться с назначением данного элемента. Каждая модель имеет две заглавные буквы (ПК, ПБ и ПГ), о которых говорилось выше. Наличие третьей буквы означает повышенное количество сторон опоры.
Приведем пример:
2ПКТ – наличие дополнительной буквы Т означает, что в данной модели три стороны опоры.
1ПКК – буквы К означает опирание по четырем сторонам.
Помимо типа и количества сторон опоры учитываются размеры плиты (длина, ширина) и другие параметры. Выбирать оптимальный вариант лучше с участием опытного специалиста, который учтет особенности будущего строения, нагрузку и прочие факторы.
В компании «Время строить» вы найдете плиты перекрытия, выполненные по стандартам качества. Наши специалисты всегда готовы помочь в подборе модели, а также расчете стоимости. Позвоните нам или закажите обратный звонок для уточнения интересующих вас вопросов!
разновидности, их преимущества и возможные недостатки
При возведении различных зданий и сооружений как жилищного, так и промышленного назначения важным этапов является выбор материала и выполнение перекрытия. С помощью таких конструкций выполняется разделение высотных построек на этажи. На перекрытия в процессе эксплуатации здания приходятся высокие нагрузки, поэтому важно правильно подобрать материал и правильно его установить.
Главные разновидности перекрытий
По назначению конструкции делятся на три группы:
- чердачные: такие конструкции разделяют последний этаж и пространство чердака под крышей здания. Для создания эксплуатируемой чердачной зоны рекомендуется использовать ЖБИ плиты, выдерживающие нагрузку в 400 кг/м2;
- междуэтажные: такие перекрытия используются для разделения на отдельные этажи. При выборе материала для их создания учитывается степень нагрузки межкомнатных перегородок, предметов интерьера, различного оборудования, людей и так далее. Специалисты рекомендуют использовать ЖБИ плиты маркировки 6Ат и выше;
- подвальные: такие конструкции отделяют пространство нижнего уровня, к числу которых относят гаражные, подвальные и прочие помещения. Технические требования к материалу для этих перекрытий (степень нагрузки, жесткость, прочность) аналогичны, как и для междуэтажных перекрытий. Дополнительно специалисты рекомендуют утеплить конструкцию и выполнить ее гидроизоляцию.

По типу конструкции перекрытия принято разделять на такие категории:
Тело изделия состоит из цельного материала, к примеру, бетона без каких-либо пустот. Такие плиты имеют прямую прямоугольную форму. Толщ на составляет 10-16 см. Чаше всего используются для перекрытия подземных технических каналов.
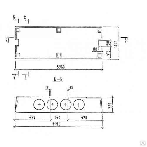
Такие перекрытия выполняются в виде прямоугольных плит с небольшими пустотами по периметру (чаще всего круглыми, реже – квадратными). Наиболее востребованными считаются изделия с толщиной 22 см, при этом диаметр отверстия может быть 14-15.9 см. Производители же предлагают также плиты перекрытия с толщиной 30, 26 и 16 см.
Такие плиты характеризуются высокой прочностью и износоустойчивостью. Они изготовляются из ЖБИ конструкций со сплошным армированием. Рекомендуются для использования межэтажных перекрытий в жилых многоэтажных домах и жилых комплексах современного типа.
Такие изделия по форме напоминают букву П (с торцовой части).
Основное их отличие – края плиты усилены специальными балками. Продукция характеризуется повышенными несущими свойствами, поэтому часто их используют для перекрытий общественных зданий, многоэтажных и производственных сооружений. Ввиду высокой стоимости такого товара не целесообразно его использовать при ведении строительства частного дома, дачи или загородного коттеджа.
Основное отличие этих плит – это небольшая масса в сравнении с аналогичными им плитами. Структура продукта многопустотная. Рекомендуется монтировать такое перекрытие на тех строительных объектах, где создан фундамент недостаточной прочности. Примером этой продукции считаются плиты, изготовленные на основе полистеролбетона.
Типы перекрытий по материалу
- Бетонные перекрытия: такие конструкции, как правило, используют при строительстве крупных объектов (многоэтажных домов, промышленных цехов и так далее). В качестве основного компонента для их производства является бетон различных типов: силикатный, легкий тяжелый.
Бетонные перекрытия делятся на несколько подвидов:
- сборные: общая конструкция перекрытия состоит из нескольких отдельных бетонных плит, соединенных вместе. Это продукция заводского производства;
- монолитные: сплошная плита, которая бетонируется по определенным размерам непосредственно на строительной площадке;
- монолитные по несущему профлисту: установленный профнастил является несъемной опалубкой для бетонирования монолитной плиты. Как правило, такие конструкции используют для создания межэтажных перекрытий, которые одновременно служат в качестве несущей конструкции и основания для пола.
- Деревянные перекрытия: такие конструкции характеризуются небольшим весом и простотой монтажа. Их часто используют при возведении частных домов из различных материалов: кирпич, брус, различных блоков. Деревянные перекрытия делятся на подвиды:
- брус из массива дерева: длина перекрытия из цельной древесины составляет до 6 метров.
- клееный брус: длина перекрытия этого типа составляет до 12 метров.

- Металлические перекрытия: балки из металла используют для перекрытия больших площадей с повышенной нагрузкой. Они изготовляются из стали высокого проката по четким требованиям ГОСТ стандартов.
Особенности балочных конструкций
Балочные перекрытия являются более экономичных вариантом в сравнении с плитами.
Процедура монтажа более простая, но при этом готовая конструкция успешно выдерживает большие нагрузки. Эксперты рекомендуют использовать такой тип перекрытий при строительстве частных домов или невысоких зданий (до нескольких этажей). Полотно балки закрепляется с помощью специальных опор. Такое перекрытие размещается горизонтально или под некоторым наклоном. Таким образом, нагрузка от балки приходится на опоры: стены, колонны, а после перераспределяются между иными конструктивными элементами.
Прочность изделия, а также придельные нагрузки определяются в зависимости от:
- материала балки;
- способа ее крепления;
- формы и площади поперечного сечения.

Ферма – еще один современный способ обустройство перекрытий. Конструкция представляет собой стержневую систему. Для ее образования используют стержневые прямолинейные элементы, которые соединяются в определенных узлах, на которые и приходятся нагрузки. К этому типу перекрытий можно отнести шпренгельные балки – конструкция из неразрезной балки (двух- или трехпролетной) и подпружной тяги. Подобные конструкции используют для обустройства высотных сооружений.
Рекомендации по выбору перекрытий
От верности выбора материала для созданий перекрытий зависит устойчивость и прочность всего здания, а также срок его эксплуатации. При выборе конкретной продукции, прежде всего, следует учитывать общее архитектурное оформление строительного объекта. Важно произвести некоторые технические расчеты, чтобы готовое перекрытие успешно выдерживало требуемую нагрузку, было прочным и надежным. Помимо этого, к выбранной продукции предъявляются требования по теплопроводности, пожаробезопасности, гидро- и звукоизоляции.
При достаточно высоких технических характеристиках подобранные конструкции должны иметь максимально низкую массу и толщину. Очень важно не допустить ошибку при выполнении расчетов, поэтому лучше доверить выполнение этой задачи опытному и квалифицированному инженеру.
Преимущества и недостатки различных перекрытий
Чаще всего в строительном деле используются железобетонные плиты в качестве перекрытия. В сравнении с монолитным бетонированием, ЖБИ конструкции характеризуются рядом неоспоримых преимуществ. Большая часть моделей в своей конструкции имеет пустоты, за счет чего повышается звукоизоляция помещения, снижается общий вес конструкции, а, значит, и нагрузка на фундаментное основание строительного объекта.
Но не все перекрытия из ЖБИ плит производятся с пустотами. Именно поэтому одним из существенных недостатков таких материалов для создания перекрытий является большой вес полнотелых и монолитных изделий. При выборе конкретного товара эксперты советуют обращать внимание на маркировку продукции.
Если необходимо максимально снизить нагрузку на фундаментное основание, то лучше приобрести плиты с максимальным числом пустот по периметру.
Особенности маркировки ЖБИ плит для перекрытия
Производство железобетонных изделий выполняется в четком соответствии ГОСТ стандартам, согласно которым готовая продукция маркируется следующим образом:
- Марка «1П»: структура изделия однослойная и сплошная без пустот;
- Марка «2П»: структура плиты также без пустот и однослойная, но толщина самого изделия больше;
- Марка «1ПК»: изделие с пустотами круглой формы в диаметре 1.6;
- Марка «2 ПК»: изделие с круглыми пустотами внутри, диаметр которых 1.4;
- Марка «ПБ»: структура продукции многопустотная.
Наибольшей прочностью и износоустойчивостью характеризуются плиты марок 2П и 2ПК, в производстве которых применяют бетон высшей прочности. Их лучше использовать в строительстве больших промышленных и общественных сооружения.
Для частного строительства и возведения легких конструкций подходят плиты марок 1П, ПБ и 1ПК.
Перекрытия в доме, виды перекрытий в частном доме
Все что нужно знать о перекрытиях перед началом строительства
Перекрытия — это внутренние горизонтальные ограждающие конструкции жилого дома, разделяющие его по высоте на этажи и придающие дополнительную жесткость всему зданию. Это важнейший элемент конструкции дома. От его состояния во многом зависят безопасность, здоровье и спокойный отдых людей.
Перекрытия, расположенные над подвалами, называются над подвальными, отделяющие верхний этаж от чердака — чердачными, расположенные между смежными этажами — между-этажными. В зависимости от способа передачи воспринимаемых в здании нагрузок перекрытия подразделяются на без балочные и балочные.
Без балочные перекрытия
Такие перекрытия отличаются прочностью, долговечностью и огнеупорностью, обеспечивают самые ровные полы, однако имеют слишком большую массу.
Поэтому в малоэтажном строительстве их целесообразно использовать в качестве цокольных перекрытий. Эти перекрытия служат одновременно и ограждающей конструкцией, и несущей.
Без балочные перекрытия могут быть выполнены в виде сплошной монолитной плиты либо в виде плотно уложенных друг к другу более мелких плит или панелей. По технологии выполнения их можно классифицировать как монолитные, сборные и сборно-монолитные.
Сборные перекрытия
Выполняются, как правило, из железобетонных плит заводского изготовления. Применяют два вида плит: ячеисто бетонные и многопустотные из тяжелых бетонов. Они подбираются исходя из ширины пролета и несущей способности (наибольшее применение нашли панели с несущей способностью 800 кгс/м2). Отличительными особенностями таких перекрытий является высокая прочность, огнестойкость, технологичность и полная заводская готовность к монтажу.
Перекрытия из многопустотных железобетонных плит целесообразно применять при шаге несущих стен больше 6 м (но не более 9 м), а также когда несущей способности плит из ячеистого бетона недостаточно.
Эти перекрытия долговечны, огнестойки, обеспечивают необходимую пространственную жесткость и устойчивость несущего остова жилого здания. Однако для доставки, погрузочно-разгрузочных работ и монтажа плит необходимо использовать спецтехнику, что увеличивает стоимость строительства.
Плиты укладывают вплотную и соединяют друг с другом путем замоноличивания швов между ними цементным раствором. Для создания жесткого единого горизонтального перекрытия железобетонные плиты соединяют между собой и наружными стенами при помощи стальных анкеров, закрепленных к монтажным петлям. В районе опирания плит на внутренние стены применяют составные анкера, соединенные между собой сваркой. Торцы плит перекрытий при опирании их на наружные стены соединяют с кладкой Г-образными анкерами, защищенными от коррозии цементным раствором. Промежутки между плитами при опирании на внутренние стены заполняют кирпичом той же марки, что и в основной кладке.
При использовании бетонного перекрытия обязательным условием является устройство кольцевого распределительного пояса, через который плиты перекрытия опираются на стену.
Такой пояс выполняется на всю длину опирания перекрытия на стену и может быть изготовлен из монолитного железобетона или из трех рядов полнотелого кирпича, армированного кладочной сеткой. Ширина пояса равна 250 мм, а толщина — минимум 120 мм. Плиты перекрытия должны опираться на распределительный пояс не менее чем 120 мм. Вместе с плитами перекрытия он создает жесткую конструкцию для повышения сопротивления действию ветровых нагрузок, проявлениям температурных и усадочных деформаций, а также устойчивости при аварийных воздействиях.
Железобетонный пояс должен быть замкнутым и не прерываться по длине. Во внутренних несущих стенах пояс устраивается на всю ширину стены.
Для изготовления железобетонного пояса необходимо использовать бетон марки В15. Пояс заходит на продольные стены на ширину 200—250 мм с обеспечением теплоизоляции торца железобетонного пояса и армируется сетками из арматуры 010 мм или толще класса АШ. Стержни должны идти непрерывно по всему периметру и по внутренним стенам.
При необходимости сварки между собой прочность сварного шва должна быть выше прочности металла по основному сечению стержней.
Под торцами плит перекрытия, опирающихся на стену, арматурные стержни должны проходить внутри железобетонного пояса. Они выпускаются только на углах и привариваются к стержням пояса смежных стен.
В случае выполнения распределительного пояса из полнотелого кирпича стержни арматуры прокладывают в блоке под распределительным поясом в специально прорезанных штрабах, которые заполняются клеем. В углах стержни сваривают.
При кладке стены из газоблоков от торца плиты перекрытия до наружной грани стены здания должен оставаться слой из газоблоков толщиной 150 мм. Между стеной и торцом плиты оставляют зазор толщиной 1—2 см для восприятия температурных деформаций здания. При уменьшении толщины наружного слоя из блоков зазор между торцом плиты перекрытия и стеной должен дополнительно утепляться эффективным легкодеформируемым утеплителем.
Монолитные перекрытия
Привлекательность этих перекрытий заключается в том, что в данном случае не требуется производить дорогостоящие погрузочно-разгрузочные работы, как в случае с железобетонными плитами, да и качество поверхности гораздо лучше за счет отсутствия швов.
К тому же возможности для реализации сложных архитектурных решений значительно шире.
Монолитное перекрытие можно выполнить при помощи заливки бетона по профнастилу или горизонтальной опалубке, которая может быть как съемной, так и несъемной. Применение съемной опалубки распространено больше, к тому же в целях экономии ее можно взять в аренду. Непосредственно после установки опалубки производят укладку арматуры и затем уже осуществляют бетонирование.
Недостаток монолитных перекрытий заключается в продолжительном перерыве в работе — залитый бетон приобретает проектную прочность в течение 28 дней. Кроме того, в ряде случаев может потребоваться установка подпорных колонн.
Сборно-монолитные перекрытия
Данная технология объединила в себе преимущества сборных и монолитных перекрытий и на сегодняшний день считается наиболее прогрессивной.
В состав такого перекрытия входят два основных элемента — железобетонные балки со свободной арматурой в виде легких форм и пустотные керамзитобетонные блоки-вкладыши небольшой массы. Балки являются главным несущим элементом перекрытия и представляют собой полуфабрикат заводского изготовления в виде продольных бетонных элементов или заполненных бетоном керамических П-образных форм с вмонтированным по всей длине (которая обычно составляет 7,2 м) пространственным арматурным каркасом. Существуют и такие системы, в которых балки бетонируются на месте в процессе строительства. При монтаже балки необходимой длины устанавливают с шагом, соответствующим размерам керамзитных блоков. Концы балок опираются на распределительный пояс из бетона или полнотелых кирпичей в верхней части стены. Высота монолитного пояса не может быть меньше толщины перекрытия, а его ширина — меньше 10—18 см (в зависимости от вида перекрытия). Армирование выполняется стальными стержнями 010—12 см, соединенными через каждые 20—25 см хомутами 04— 6 см. Если в проекте предусмотрен пояс, опущенный относительно нижней плоскости перекрытия по меньшей мере на 4 см (для стен из ячеистого бетона — 5—6 см), то два его нижних главных арматурных стержня должны оказаться под балками перекрытия. Эти балки независимо от способа их опоры на стену должны заходить в пояс и после бетонирования взаимодействовать с ним.
Минимальная глубина опирания балок на стену зависит от вида перекрытия и чаще всего составляет 8—12,5 см. Балки довольно легкие (масса 1 пог. м не превышает 19 кг), что позволяет в большинстве случаев производить монтаж без использования крана. Кроме того, часторебристые перекрытия не требуют устройства полной опалубки, а только установки монтажных опор под балки. Подпорные балки чаще всего имеют сечение 10 х 12 см и располагаются перпендикулярно балкам перекрытия, являясь для них непосредственной опорой. Балки перекрытия подпираются опорами в тех местах, где в них пересекаются пространственный арматурный каркас и продольные арматурные стержни. В перекрытиях с большими пролетами рекомендуется поднять центральные монтажные опоры немного выше уровня перекрытия для компенсации возможного прогиба. Балки длиной более 4,8—5,1 м достаточно приподнять на 10 мм, а для балок длиной более 6 м этот запас должен равняться 15—20 мм.
На балки вручную укладывают пустотелые блоки. Для удобства ручной транспортировки у такого блока есть специальные выемки по бокам. Крайние блоки не опираются на те стены, на которые опираются балки, а только касаются их. Важно, чтобы в этом месте не образовалась щель, через которую во время бетонирования мог бы вытекать бетон.
Размер блоков-вкладышей стандартный, 530 х 200 х 200 мм, масса — 14 кг. На собранной таким образом конструкции размещают арматурную сетку с ячейками 100 х 100 мм (проволока 05 мм), а затем заливают слой бетона или керамзитобетона марки М200 и уплотняют его методом штыкования. Твердея, бетон образует ребристую монолитную плиту. Масса 1 м2 готового перекрытия — 360 кг, а его несущая способность составляет 1300 кг/м2. Максимальная длина пролетов — 9 м.
В местах, где планируется устройство больших проемов в перекрытии (например, для лестницы или размещенных рядом нескольких дымовых труб), выполняется замещение элементов перекрытия, то есть установка перпендикулярно к балкам перекрытия дополнительных балок, бетонируемых прямо на строительной площадке. Их задачей является принятие на себя нагрузок от балок, которые из-за наличия проема лишаются второй точки опоры. Дополнительная балка передает нагрузки на близлежащие балки перекрытия, которые опираются на несущую стену или на главную балку. Небольшие проемы, необходимые для пропуска коммуникаций, можно сделать после того, как перекрытие будет уже готово. Они просверливаются в пустотелых блоках. Другим решением является раздвигание пустотелых блоков во время монтажа перекрытия на необходимую ширину и обшивка досками краев проема таким образом, чтобы через них не вытекал бетон, которым заливается перекрытие. Такой способ используется также для проведения через перекрытия отдельных вентиляционных или дымовых каналов.
Перед заливкой бетона нужно убрать все загрязнения, например листья или обломки блоков. Очень важно также обильно увлажнить перекрытие непосредственно перед укладкой бетона. Это позволит избежать отсоса воды из раствора, благодаря чему бетон не утратит своей прочности. Одновременно с перекрытием бетонируются венцы. Для того чтобы бетонная смесь не вытекала, необходимо обшить их досками или обложить кирпичом по внешнему контуру стен. Опалубка потребуется и для венцов вокруг проемов в перекрытии. Бетонирование производят бетоном класса В15 с минеральным заполнителем, имеющим фракцию не более 16 мм, двигаясь в направлении, перпендикулярном балкам перекрытия.
Перекрытие обладает повышенными тепло- и звукоизолирующими характеристиками. В пустотах (до заливки бетона) можно прокладывать инженерные коммуникации. К тому же возведение перекрытий по данной технологии позволяет существенно сократить сроки строительства. Сокращение затрат на монтаж сборно-монолитных перекрытий достигается не только за счет сокращения объемов работ, но и за счет меньшей стоимости расходных материалов, отсутствия опалубки, а также сокращения времени проведения работ. В общей сложности затраты уменьшаются вдвое.
При изготовлении часторебристых перекрытий монтаж осуществляется без применения каких-либо подъемных механизмов, происходит улучшение теплоизолирующих показателей, есть возможности организации перекрытий сложной конфигурации. При толщине плиты 250 мм и не-сущей способности до 500 кг/м2 сборно-монолитные перекрытия обладают меньшим весом по сравнению с монолитом и бетонными плитами. Да и объем производимых работ значительно меньше.
Балочные перекрытия
Организация перекрытий с использованием балочной технологии сводится к тому, что на равномерно расположенные друг от друга балки, выполняющие функцию несущей основы, укладываются элементы заполнения, которые выполняют ограждающую функцию. Балки могут иметь постоянное или переменное сечение. Второй вариант позволяет уменьшить массу конструкции. По форме поперечного сечения различают балки прямоугольные, тавровые, двутавровые, коробчатые и др.
Наиболее выгодны по несущей способности и расходу материала балки двутаврового и коробчатого поперечных сечений. Они характеризуются концентрацией материала у верхнего и нижнего краев сечения, где действуют максимально нормальные напряжения при изгибе.
Прямоугольные сечения целесообразны при относительно большой высоте и малой ширине балки. В зависимости от материала балки могут быть металлическими (швеллера), деревянными (древесина хвойных пород) и железобетонными.
Деревянные перекрытия
В деревянных или каркасных домах наиболее распространены балочные перекрытия из досок, брусьев или отесанных на 2—4 канта бревен, которые укладывают на несущие стены с интервалом 0,5—1 м. К боковым граням балок прибивают черепные бруски сечением 50 х 50 или 40 х 40 мм. По ним укладывают накат, который может быть выполнен как из деревянных щитов, так и из отдельных досок. Поверх укладывают звуко- и теплоизоляцию, а затем по лагам кладут настил из досок в один или два слоя.
Чтобы балки от нагрузки не провисали, их притесывают с небольшим подъемом к середине. Сначала потолок с такими балками будет слегка приподнятым в середине, но постепенно от нагрузки выровняется и станет горизонтальным. С той же целью для балок можно применять бревна с небольшой кривизной в одну сторону, соответственно подтесывая их.
Прогиб балок междуэтажных перекрытий допускается не более 1/300 длины перекрываемого пролета, чердачных — не более 1/250. Прогиб балки в основном зависит от ее высоты, а не ширины. Поэтому выгоднее увеличивать высоту балки, а не ее ширину. Однако в уменьшении ширины есть свой предел, т. к. слишком тонкая балка может изогнуться в сторону. Наиболее прочной считается балка с соотношением сторон 7:5.
Толщина балок для междуэтажных и чердачных перекрытий должна быть не менее 1/24 ее длины. Например, устанавливается балка длиной 6 м. Значит, толщина ее должна составлять 600/24 = 25 см. Чтобы вытесать такой прямоугольный брус (с соотношением сторон 7:5), понадобится бревно диаметром 30 см.
Брус можно заменить двумя досками общим сечением, равным необходимому. Такие доски обычно сбивают гвоздями, располагая их в шахматном порядке через 20 см. При более частой укладке вместо бревен (брусьев) можно использовать одинарные толстые доски, поставленные на ребро. Например, для перекрытия пролета длиной 5 м под нагрузку 1259 кг необходимы две балки прямоугольного сечения 200 х 140 мм, уложенные через 1000 мм. Их можно заменить тремя досками сечением 200 х 70 мм, расположив их через 500 мм, или же четырьмя досками сечением 200 х 50 мм, уложенными через 330 мм: доска сечением 200 х 70 мм выдерживает груз 650 кг, сечением 200 х 50 мм — 420 кг, а в сумме они будут выдерживать предполагаемую нагрузку.
Но лучше в таких случаях применять балки, склеенные из отдельных ламелей толщиной не более 44 мм. Они обладают значительно большим коэффициентом прочности по сравнению с цельным элементом древесины того же сечения, а в длину могут достигать 12 м. В большинстве случаев клееные балки имеют ширину не более 16,5 см, что позволяет изготовлять их из цельных по ширине досок. Высота сечения балок определяется расчетом и находится в пределах от 1/10 до 1/15 пролета. Клееные балки рассчитывают как деревянные балки цельного сечения.
Стыковки над вертикальными опорами деревянных балок осуществляют при помощи забитых под углом гвоздей или фанерных (металлических) косынок.
Концы деревянных балок, которые заделываются в наружные стены, считаются наиболее уязвимым местом перекрытия. Именно они из-за конденсации паров воздуха вследствие контакта с холодными стенками гнезда подвергаются процессам гниения и разрушаются. Для предотвращения подобной неприятности концы балок обрабатывают раствором фтористого натрия на длину 750 мм, а боковые поверхности изолируют от кладки двумя слоями толя или рубероида на дегтевой мастике. Глубина опирания балок на стены не менее 180 мм. Между торцами балок и кладкой оставляется зазор не менее 30 мм. В кирпичных, каменных и газо- и пенобетонных стенах между крайними балками и стеной должен быть зазор не менее чем 50 мм, который заделывают рейкой. Между рейкой и балкой нужно проложить полосу рубероида.
Для обеспечения жесткости и устойчивости несущего остова здания балки через одну крепятся к стенам анкерами. Один конец анкера заделывают в кладку стен, а другой прибивают к балке.
Балки около дымоходов необходимо располагать не ближе 400 мм от внутренней поверхности ближайшего дымохода. Бывает, что нельзя отдалить балку от дымохода. В этом случае балку врубают в ригель, который, в свою очередь, врубают в две балки, что немного ослабляет их. Чтобы уменьшить ослабление, такие балки лучше укладывать более толстыми концами в сторону дымохода.
Помимо подверженности гниению у деревянных балок есть и другие недостатки — подверженность деятельности насекомых и высокая пожароопасность. Достоинствами является гораздо меньшая стоимость и вес в сравнении с металлическими и железобетонными, простота в обработке, а также звукоизоляционные и теплотехнические характеристики.
В домах с каменными, бетонными и каркасными стенами, не подверженными осадке, иногда устраивают несущие перегородки. В таком случае можно применить для перекрытий короткий, более тонкий и дешевый лес и уменьшить толщину перекрытия.
Перекрытие в каркасно-щитовом доме представляет собой систему несущих балок с черновым полом поверх них, на котором устраивают плавающее покрытие (плитку, паркет, линолеум). Завершают устройство перекрытия обшивкой потолка помещений на нижележащем этаже.
Экономичным считают перекрытие, состоящее из деревянных щитов с односторонней и двухсторонней обшивкой, воспринимающей вместе с каркасом щитов вертикальные нагрузки. Несущую функцию обшивка может выполнять только в том случае, если она прочно соединена с ребрами досок каркаса щита. Прочно связанные друг с другом ребра и обшивка обладают высокой несущей способностью.
Для обшивки лучше всего подходят ДСП и строительная фанера. Доски, ввиду большого количества одинаково ориентированных швов, не способствуют повышению несущей способности перекрытия. Гипсоволокнистые или гипсокартонные плиты в качестве дополнительных несущих элементов рассматривать нельзя. Не способны нести нагрузку и такие листовые материалы, как цементно-стружечные и столярные плиты. К тому же последние значительно дороже ДСП и фанеры.
Расчет деревянных перекрытий
Выбор типа перекрытий зависит от конструкции, назначения здания, а также от нагрузки. Для чердачных перекрытий ее обычно принимают 1050 Н/м2, для цокольных и междуэтажных — 2100 Н/м2. При расчете учитывают массу мебели, людей, сантехнического и другого оборудования. Постоянная составляющая нагрузки — собственный вес самого перекрытия.
Толщину брусьев в каркасе (почти на 40%), щиты могут перекрывать примерно такие же пролеты, как и деревянные балки. Максимально допустимая ширина помещения и ширина пролета в данном случае составляет около 6 м. При превышении расчетных значений под перекрытие требуется подвести дополнительные опоры, что существенно повышает стоимость сооружения.
Для однопролетного перекрытия, где щиты лежат на опорах только концами ребер жесткости, ширина пролета, которая несколько больше ширины в свету помещения, не должна превышать 5 м. Для двухпролетного перекрытия допустимая ширина пролета и, соответственно, помещения увеличивается до 6 м.
Во многих проектах глубина дома определяется двухпролетным перекрытием. Ширина между продольными стенами дома обычно колеблется в пределах 9—12 м, а в его середине ставят несущую стену.
Ограничение прогиба под нормативной нагрузкой
В любом случае перекрытие прогибается даже под нормативной нагрузкой, но прогиб не должен превышать 1/300. Это означает, что при ширине пролета, равной 6 м, перекрытие может прогибаться под нормативной нагрузкой, пусть даже возникающей лишь в исключительных случаях, не более чем на 2 см.
Поскольку перекрытие не может нести на себе нагрузку более допустимой для нагруженных стен, перемычек и опор, застройщику, который намерен разместить на перекрытии тяжелые сооружения или предметы, следует обратиться за советом к специалисту по статическим расчетам устойчивости строительных конструкций.
Перекрытие придает зданию дополнительную жесткость. Ветровые нагрузки, воздействующие на здание через крышу, фронтоны и наружные стены, через перекрытие передаются на всю конструкцию здания. Для компенсации этих нагрузок упрочняют верхнюю обшивку перекрытия. При укладке отдельных балок перекрытия плиты обшивки (как правило, из ДСП или OSB-плит) располагают с взаимным смещением швов и крепят к балкам. При использовании готовых элементов перекрытия, например при строительстве сборных домов, их прочно соединяют друг с другом, а по краям — с несущей опорой (стенами, перегородками).
Если размер здания по любому из фасадов превышает 12,5 м, необходимы дополнительные несущие перегородки, придающие ему требуемую жесткость. Эти стены тоже должны быть соединены с перекрытием.
Металлические перекрытия
Металлические балки отличаются гораздо большей надежностью и долговечностью, чем деревянные, они имеют меньшие габаритные размеры при одинаковой несущей способности, что позволяет экономить место и увеличить полезное пространство. Их применяют главным образом при высоких нагрузках и пролетах длиннее 6 м. Наиболее эффективны прокатные и составные металлические балки двутаврового и составные балки коробчатого сечения.
Недостатком металлических балок являются более низкие, чем у деревянных, теплоизоляционные и звукоизоляционные характеристики, а также образование коррозии при воздействии влажности и некоторых агрессивных сред.
Для предотвращения образования коррозии концы балок, которые являются наиболее уязвимым местом, обертывают войлоком. При опирании на наружные стены торцы балок утепляются термовкладышами. Для улучшения звукоизоляционных качеств перекрытия и увеличения его жесткости швы между плитами, блоками и балками тщательно замоноличиваются цементным раствором.По верхним блокам балок укладываются деревянные лаги, по которым устраивается чистовой пол. Проемы заполняются с использованием облегченных железобетонных плит, деревянных накатов или щитов, а также легкобетонных вставок.
Однако из-за большого расхода металла и значительной трудоемкости выполнения такие перекрытия при строительстве коттеджей применяются нечасто.
Железобетонные перекрытия
Для возведения перекрытия можно использовать уже готовые балки, а можно изготовить их непосредственно в месте будущего перекрытия. Наибольшее распространение получили предварительно напряженные железобетонные балки.
Если же по каким-либо причинам готовые балки применить нельзя, придется под местом расположения предполагаемой балки возводить временную стену. Она может быть выложена из кирпичей или блоков без применения раствора. По верху стены выкладывается лоток необходимого размера, внутри которого стелется промасленная бумага или полиэтиленовая пленка, выкладывается арматурный каркас будущей балки, и затем вся емкость заливается тяжелым бетоном. Временную стену разбирают через 3 недели, когда бетон застынет и наберет достаточную прочность.
Железобетонные балки еще более надежны, не подвержены гниению, но имеют больший вес, что создает дополнительную нагрузку на фундамент. Среди недостатков следует отметить низкую теплоизоляцию и высокую трудоемкость, в том числе и в обработке.
Кроме того, при монтаже предварительно напряженных балок придется использовать грузоподъемные механизмы.
Для заполнения проемов после монтажа железобетонных балок можно использовать легкобетонные вкладыши (блоки или плиты).
Защита перекрытий
Противопожарная защита
Особые требования к строительным материалам и конструкциям предъявляют нормы противопожарной защиты. Конструкции из разных по своим свойствам материалов различают по способности задерживать огонь в течение некоторого времени (полуогнестойкие) и полностью останавливать его распространение (огнестойкие).
В жилищном строительстве, в частности в зданиях, где пол верхнего перекрытия расположен более чем в 7 м от уровня земли, конструкции междуэтажного перекрытия должны обладать по меньшей мере огнезадерживающими свойствами (продолжительность сопротивления огню — не менее 30 мин в опытных условиях). Бетоны, в том числе и легкие, огня не боятся, по крайней мере, успешно его сдерживают в течение 3—4 ч. Древесину обычно обрабатывают растворами, придающими ей огнестойкость.
Хороший эффект дают негорючие материалы, в частности гипсоволокнистые и гипсокартонные плиты, широко применяемые для облицовки помещений. При проектировании перекрытий по открытым деревянным балкам необходимо учитывать и то, что эти балки подвержены воздействию огня не только снизу, но и с боков, и соответственно располагать огнестойкую облицовку.
При определении параметров стойкости конструкций из цельной древесины (например, хвойной) скорость ее выгорания принимают равной 0,8 мм/мин. При расчете перекрытий по открытым деревянным балкам высотой 24 см при ширине пролета 580 см ширину балок с учетом огнестойкости увеличивают до 12 см и более.
Защита от климатических воздействий
В специальной защите от климатических воздействий деревянные конструкции наружной стены, плоской крыши, перекрытия чердачного (технического) этажа или мансарды с наклонными стенами при исправной кровле не нуждаются. Защита же древесины междуэтажного перекрытия важна только в помещениях с повышенной влажностью (как правило, в зоне душа, ванных, прачечных и бани). Для всех приведенных конструкций невентилируемых перекрытий, в том числе и для открытых балок, вполне достаточна защита древесины лакокрасочными покрытиями или другой отделкой. Специальные химические средства здесь не нужны. В отдельной, специально устроенной вентиляции такое перекрытие не нуждается вовсе. При устройстве дощатых полов на лагах вентиляция желательна, и для этого в полу устраивают вентиляционные решетки или плинтусы с нащельниками.
Особенности различных типов перекрытий, используемых при строительстве малоэтажных домов — Официальный сайт перекрытий МАРКО
Перекрытие является одним из основных конструктивных элементов дома, повышающим его пространственную жёсткость и устойчивость.
Перекрытие должно отвечать следующим требованиям:
- достаточная прочность, позволяющая воспринимать эксплуатационные нагрузки;
- минимальный собственный вес, что важно для снижения нагрузок на стены и фундамент здания;
- достаточная тепло- и звукоизоляция;
- монтаж из доступных материалов, без использования грузоподъемной техники;
- отделка потолков с использованием общедоступных технологий ведения работ;
- доступная цена.
Выбор типа перекрытия зависит от множества факторов, влияющих, в конечном счете, на итоговую стоимость работ.
Прежде всего, хочется предостеречь строителей, которые приняли решение возводить перекрытие «на глазок».
Ошибки, допущенные при устройстве перекрытий, очень сложно исправлять. Как правило, такие перекрытия приходится демонтировать. Характерный пример ошибки, которую трудно исправить на этой фотографии: балки деревянной фиксирующей системы прогнулись вместе с перекрытием. Мы надеемся, избежать подобных ошибок Вам поможет эта статья.
Пустотные плиты перекрытия
Несущая способность пустотных плит перекрытия установлена государственным стандартом и закладывается при их изготовлении на производстве. Несущая способность монолитных и сборно-монолитных перекрытий формируется на стройке при их монтаже. Зависит она в равной степени от проекта, характеристик используемых материалов и качества монтажа.
Среди строителей существует устойчивое представление о том, что проще всего в качестве перекрытия уложить на готовые стены пустотные плиты. Практика строительства свидетельствует о том, что этот вариант экономически целесообразен, если планировка дома имеет прямоугольную форму, а его проект учитывает размеры плит доступной номенклатуры. В противном случае приходится рубить или резать плиты непостредственно на объекте. Это приводит к дополнительным трудозатратам. Здесь Вы можете посмотреть видео, в котором реальный застройщик анализирует стоимость перекрытия из пустотных плит.
Сложности и стоимость монтажа перекрытия из плит увеличиваются, если в Вашем доме есть эркеры или другие криволинейные участки стен. В этом случае проект, предусматривает устройство монолитных участков между плитами. Почти всегда монолитные участки появляются вокруг лестничных проемов. Обратите внимание на высокую трудоемкость работ при этом. Важно также понимать, что монолитный участок своим весом дополнительно нагружает плиту перекрытия. Особенностям устройства монолитных участков между плитами на форуме ДОМ И СТРОЙКА посвящена отдельная тема.
В некоторых проектах монолитные участки могут по площади достигать 25-30 % площади самого перекрытия. Попробуйте представить, как будет выглядеть перекрытие из плит для дома, цокольный этаж которого приведен на фотографии справа.
Обратите внимание на четыре важных обстоятельства, которые часто не учитывают застройщики при оценке стоимости перекрытия из пустотных плит.
Первое — монтаж плит в соответствии со строительными нормами требует их анкерения между собой и к стенам. Анкерение обеспечивает создание жесткого диска, связывающего стены и перекрытия между собой и снижает вероятность растрескивания межплитных швов в процессе эксплуатации. О трудоемкости и стоимости анкерения часто «забывают» при сравнении плитного перекрытия с другими типами перекрытий.
Второе — для выравнивания основания пола по плитам необходимо выполнить стяжку толщиной 50-70 мм из цементно-песчаного раствора. Для упрочнения стяжку обычно армируют сеткой. Стоимости этих работ не хватает в видео, приведенном выше.
Третье — торцы плит, как правило, необходимо утеплять. В противном случае не исключена конденсация влаги в зимнее время по периметру потолка из плит. В утеплении нет необходимости, если проектом предусмотрено общее утепление дома снаружи.
Четвертое — на стенах из слабонесущих материалов (газобетон, керамзитобетон, теплая керамика, арболит и пр.) необходимо устройство отдельного монолитного пояса, на который будут монтироваться плиты. Монтаж плит без монолитного пояса недопустим. Это в подавляющем большинстве случаев приводит к появлению трещин на стенах здания.
Необходимо отметить, что с точки зрения оптимизации затрат на устройство перекрытия жилого дома несущая способность плит значительно завышена. Для жилых помещений СНиП 2.01.07-85 «Нагрузки и воздействия» устанавливает нормативное значение нагрузок равное 150 кг/м2. С учетом коэффициента надежности по нагрузке, установленного этим же документом, расчетное значение несущей способности для жилых помещений не превышает 200 кг/м2. В тоже время для пустотных плит этот показатель, как правило, равен 800 кг/м2. Это явно неоправданное четырехкратное превышение оплачивает из своего кармана покупатель плит. В данном случае это тот запас, который «тянет карман».
Особенно накладным становится использование плит для чердачных перекрытий, где расчетное значение нагрузок ниже 100 кг/м2. Здесь покупателю приходится платить уже за восьмикратное превышение нагрузок. Для частного застройщика ситуация во многом аналогична покупке для езды по городу легкового автомобиля с мощным двигателем, позволяющим развивать скорость более 250 км/час. Ничего кроме значительных затрат на бензин такая покупка не принесет.
Монтаж плит целесообразнее всего вести, что называется «с колёс». Хранение плит на объекте приводит к необходимости дважды заказывать подъёмный кран.
Отдельная проблема особенно в зимний период — это попадание воды в каналы плит. Наберите в любом поисковике фразу «разорвало плиты перекрытия» и вы быстро поймете насколько это проблема серьезна. На фотографии хорошо виден результат замерзания воды в каналах плит перекрытия.
Важно отметить, что в настоящее время пустотные плиты самый распространенный вариант устройства перекрытий частного дома во многих регионах страны.
Монолитные железобетонные перекрытия
Очень широко используются в каркасно-монолитном многоэтажном домостроение . В этой области им в России фактически нет альтернативы. Технология предполагает применение достаточно дорогой съемной опалубки из ламинированной фанеры, которая с незначительными потерями переносится с этажа на этаж. Монолитные перекрытия в многоэтажном доме включены в конструктивную схему здания и значительно повышают его жесткость и устойчивость. Это явный их плюс.
Перенос технологии монолитных перекрытий из многоэтажного домостроения в частное приводит к тому, что однократное или в лучшем случае двукратное использование дорогостоящей съемной опалубки для одного дома значительно повышает стоимость готового перекрытия.
Снизить затраты можно за счет замены фанеры на более дешевые материалы, например, доски, но это, в большинстве случаев, сказывается на качестве поверхности перекрытия и резко повышает трудоемкость устройства опалубки.
Для перекрываемых пролетов до 7 м толщина используемого монолитного перекрытия не больше 200 мм. Собственный вес квадратного метра такого перекрытия составляет 450-500 кг. Это достаточно высокое значение особенно по сравнению с пустотными плитами, собственный вес квадратного метра которых не превышает 350 кг.
Высокий собственный вес является основным недостатком монолитных перекрытий. При пролетах больше 7 м собственный вес перекрытия растет, а полезная нагрузка резко снижается. На рисунке вы видите зависимость толщин монолитного перекрытия от пролетов и нагрузок. Это график рассчитан профессором А.С. Залесовым
1 — ненапрягаемые плиты и балки перекрытий со свободным опиранием; 2 — преднапряженные плиты и балки перекрытий со свободным опиранием; 3 — ненапрягаемое безбалочное перекрытие с защемлением; 4 — преднапряженное безбалочное перекрытие с защемлением; б — оптимальной высоты сечения h монолитного перекрытия в зависимости от пролета и нагрузки q при классе бетона В25
Из приведенных графиков следует, что для ненапрягаемых перекрытий, а именно такие применяются в частном домостроении, при пролетах 9 м толщина перекрытия составит 300 мм. Вес квадратного метра такого перекрытия более 700 кг. Снижение собственного веса перекрытия за счет перехода на ребристую (балочную) конструкцию перекрытия значительно усложняют и удорожают технологию.
К несомненным достоинствам монолитного перекрытия следует отнести высокие его показатели по звукоизоляции.
В этом видео Вы можете ознакомиться с оценкой стоимости монолитного перекрытия, которую реальный застройщик провел на примере собственного дома.
Сборно-монолитные перекрытия (СМП)
Занимают промежуточное положение между сборными (плитными) и монолитными перекрытиями.
Первые упоминания о СМП появились в конце XIX начале ХХ века в Германии. Создание сборно-монолитных перекрытий обусловлено в первую очередь желанием конструкторов снизить собственный вес перекрытий и увеличить длину перекрываемых пролетов. Монолитные перекрытия в чистом виде уже тогда исчерпали свои возможности.
Несъемная опалубка первых сборно-монолитных перекрытий состояла только из пустотных блоков самой различной конфигурации. Из огромного разнообразия блоков на картинке слева приведены лишь некоторые их примеры. Блоки производились из самых различных материалов: бетон, обожженная глина (кирпич), дерево и др. В это же время сложились и требования к размерам блоков, которые с незначительными изменениями сохранились до настоящего времени. Может показаться удивительным, но многие блоки, созданные более ста лет назад, производятся в неизменном виде и в настоящее время. В странах Евросоюза существует достаточное число предприятий, которые специализируются только на производстве блоков.
Балки, в их почти современном понимании, появились в составе СМП в 1913 году. Конструкция из стальной ленты скреплялась заклепками или сваривалась и выполняла в том числе роль арматурного каркаса перекрытия. Спустя достаточно короткое время в конструкцию балок была введена сначала гладкая, а затем и рифленая арматура.
В 1961 году в Австрии был запатентован треугольный арматурный каркас — пространственная арматурная ферма. На основе каркаса в этом же году появилась бетонная балка, которая стала классикой сборно-монолитных перекрытий на долгие годы. Балка в неизменном виде производится в Европе до настоящего времени. Какой из европейских компаний принадлежит фотография, которую вы видите, сказать сложно. Но эта фотография наглядно демонстрирует объемы производства бетонных балок в европейских странах.
Широкое применение бетонных балок в составе сборно-монолитных перекрытий обусловлено в первую очередь их относительно небольшим весом, который в пеересчете на погонный метр не превышает 17 кг. Это позволяет в большинстве случае вести монтаж вручную, работать внутри закрытых помещений. Последнее обстоятельство стало серьезным аргументом для активного использование бетонных балок при реконструкции и реставрации зданий различного назначения.
Возможность монтажа без использования крана привлекла внимание частных застройщиков. В Польше, к примеру, сборно-монолитные перекрытия занимают подавляющую долю на рынке перекрытий для частного домостроения.
Высокий спрос на СМП заставил и производителей теплой керамики двигаться навстречу таким перекрытиям. Так появилась технология, которая позволяет производить балки из керамических элементов. В конструкции керамических блоков для перекрытий появился уступ, который обеспечивает точную фиксацию блока на балках.
Европейские покупатели теплой керамики получили возможность строить из кирпича не только стены, но и перекрытия. Вошли в моду «кирпичные» интерьеры, которые должны были свидетельствовать о приверженности хозяина экологически чистым технологиям.
В 2008 году аналогичная по конструкции бетонная балка почти без изменений вошла в состав несъемной опалубки перекрытия МАРКО-СТАНДАРТ, которые начала поставлять на российский рынок строительная фирма КОЛУМБ. Она же предприняла важные шаги по сертификации всех монтажных элементов перекрытия. Балки СТАНДАРТ успешно производились до 2012 года. В этом же году появилась новая, чисто российская балка для перекрытий МАРКО-ПРОФИЛЬ. Сравнение трудоемкости монтажа бетонных и профильных балок явно свидетельствует в пользу последних.
Необходимо отметить важное обстоятельство — конструкция сборно-монолитных перекрытий сумела объединить лучшие качества сборных перекрытий из плит (низкий вес, хорошие характеристики по теплоизоляции и пр.) и монолитных перекрытий (конструктивную жесткость, сплошность получаемого основания). А также внесла целый ряд новых положительных особенностей, которые во многом обусловлены низким весом монтажных элементов и возможностью легко менять размеры балок.
Исчезла проблема формирования сложного контура периметра перекрытия. Появилась возможность стыковать балки между собой под углом, что сняло всякие ограничения на конфигурацию проемов в перекрытии и устройство балконов, консолей и других сложных конструктивных элементов. Стало возможным собирать балки непостредственно на строительной площадке.
Конструктивное совершенствование перекрытий позволило снизить и их стоимость. Достигается это за счет: уменьшения расхода бетона, снижения трудоемкости, исключения из опалубки дорогостоящих материалов,(влагостойкая ламинированная фанера, профнастил), уменьшение числа инвентарных стоек и вспомогательных материалов.
Перечислим особенности ваших проектов и участков, которые позволяют рассматривать сборно-монолитные перекрытия в качестве основного варианта. К ним в первую очередь следует отнести:
- сложная форма периметра стен дома с эркерами и выступами;
- Г-образные и иные по форме лестничные проемы;
- большие (более 8 м) перекрываемые пролеты;
- трудности с организацией подъезда грузоподъёмной техники к участку;
- высокие требования к перекрытиям по теплоизоляции;
- наличие теплых полов в проекте дома;
- необходимость снижения стоимости перекрытия.
Особо следует остановиться на реконструкции изношенных перекрытий, замене деревянных перекрытий в квартирах домов, построенных в 18-19 веках. . В этой области сборно-монолитным перекрытиям сложно найти альтернативу. Особенно, если работы необходимо проводить в закрытых помещениях без демонтажа крыши.
Главный вывод, который следует сделать из данной ознакомительной статьи, должен состоять в следующем: выбор типа перекрытия следует производить на основе всестороннего изучения вопроса, включающего в себя как специальные технические, технологические, так и финансовые аспекты.
Следует уяснить, что любой тип перекрытия (включая деревянное, которые мы здесь не рассматриваем) имеет право на существование и применение. Правильный, целесообразный, оптимальный выбор (перечисление критериев можно продолжать долго) предполагает углубленный анализ условий и ограничений, которые накладывают особенности проекта вашего дома. В проведении именно этого анализа мы и попытались вам помочь. Если не все получилось — звоните, пишите. Будем разбираться вместе.
Типы бетонных плит — конструкция, стоимость и применение
Имя пользователя *
Электронное письмо*
Пароль*
Подтвердить Пароль*
Имя*
Фамилия*
Страна Выберите страну … Аландские острова IslandsAfghanistanAlbaniaAlgeriaAndorraAngolaAnguillaAntarcticaAntigua и BarbudaArgentinaArmeniaArubaAustraliaAustriaAzerbaijanBahamasBahrainBangladeshBarbadosBelarusBelauBelgiumBelizeBeninBermudaBhutanBoliviaBonaire, Санкт-Эстатиус и SabaBosnia и HerzegovinaBotswanaBouvet IslandBrazilBritish Индийского океана TerritoryBritish Virgin IslandsBruneiBulgariaBurkina FasoBurundiCambodiaCameroonCanadaCape VerdeCayman IslandsCentral африканского RepublicChadChileChinaChristmas IslandCocos (Килинг) IslandsColombiaComorosCongo (Браззавиль) Конго (Киншаса) Кук IslandsCosta RicaCroatiaCubaCuraÇaoCyprusCzech RepublicDenmarkDjiboutiDominicaDominican RepublicEcuadorEgyptEl SalvadorEquatorial GuineaEritreaEstoniaEthiopiaFalkland IslandsFaroe IslandsFijiFinlandFranceFrench GuianaFrench PolynesiaFrench Южный Территорий нг КонгВенгрияИсландияИндияИндонезияИранИракОстров МэнИзраильИталия Кот-д’ИвуарЯмайкаЯпонияДжерсиИорданияКазахстанКенияКирибатиКувейтКиргизияЛаосЛатвияЛебанЛезотоЛиберияЛибияЛихтенштейнЛихтенштейнЛитва ЮжныйAR, ChinaMacedoniaMadagascarMalawiMalaysiaMaldivesMaliMaltaMarshall IslandsMartiniqueMauritaniaMauritiusMayotteMexicoMicronesiaMoldovaMonacoMongoliaMontenegroMontserratMoroccoMozambiqueMyanmarNamibiaNauruNepalNetherlandsNetherlands AntillesNew CaledoniaNew ZealandNicaraguaNigerNigeriaNiueNorfolk IslandNorth KoreaNorwayOmanPakistanPalestinian TerritoryPanamaPapua Новый GuineaParaguayPeruPhilippinesPitcairnPolandPortugalQatarRepublic из IrelandReunionRomaniaRussiaRwandaSão Tomé и PríncipeSaint BarthélemySaint HelenaSaint Китса и NevisSaint LuciaSaint Мартин (Голландская часть) Сен-Мартен (французская часть) Сен-Пьер и MiquelonSaint Винсент и GrenadinesSan MarinoSaudi ArabiaSenegalSerbiaSeychellesSierra LeoneSingaporeSlovakiaSloveniaSolomon IslandsSomaliaSouth AfricaSouth Грузия / Sandwich ОстроваЮжная КореяЮжный СуданИспанияШри-ЛанкаСуданСуринамШпицберген и Ян-МайенСвазилендШвецияШвейцарияСирияТайваньТаджикистанТанзанияТаиландТимор-ЛештиТогоТокелауТонгаТринидад и ТобагоТунисТурция ТуркменистанТуркс и Острова КайкосТувалуУгандаУкраинаОбъединенные Арабские ЭмиратыВеликобритания (Великобритания) США (США) УругвайУзбекистанВануатуВатиканВенесуэлаВьетнамУоллис и ФутунаЗападная СахараЗападное СамоаЙеменЗамбияЗимбабве
Captcha *Регистрируясь, вы соглашаетесь с Условиями использования и Политикой конфиденциальности.*
Плоская плита — типы конструкций плоских перекрытий и их преимущества
Плоская плита представляет собой железобетонную плиту, поддерживаемую непосредственно бетонными колоннами без использования балок. Плоская плита определяется как односторонняя или двухсторонняя опорная система, при которой поперечная нагрузка плиты сосредоточена на опорных колоннах и квадратной плите, называемой «откидными панелями».
Панелииграют здесь значительную роль, поскольку они увеличивают общую емкость и прочность системы полов при вертикальных нагрузках, тем самым повышая рентабельность конструкции.Обычно высота откидных панелей примерно в два раза превышает высоту плиты.
Плоские плитысчитаются подходящими для большинства конструкций и для асимметричной компоновки колонн, таких как полы с изогнутыми формами и пандусами и т. Д. Преимущества применения плоских плит — это решение глубины, плоский потолок и гибкость при проектировании.
Несмотря на то, что строительство плоских перекрытий может быть дорогостоящим занятием, архитекторам и инженерам предоставляется огромная свобода проектирования.
Преимущества использования плоских плит многообразны не только с точки зрения перспективного дизайна и эффективности компоновки, но также полезны для всего процесса строительства, особенно для упрощения процедур установки и экономии времени строительства.
Если возможно, постарайтесь как можно больше отказаться от откидных панелей и максимально использовать толщину плоских плит. Причина в том, чтобы сохранить преимущества плоских потолочных перекрытий для поверхности пола, а также обеспечить отливку панелей как часть колонны.
Чтобы использовать толщину плиты до оптимального уровня, необходимо учитывать следующие важные аспекты:
- Процедура проектирования
- Наличие или отсутствие отверстий
- Значение прогибов
- Предыдущий опыт работы с макетом
Типы конструкции плоских перекрытий
Ниже приведены типы конструкции плит перекрытия:
- Простая плоская плита
- Плоское перекрытие с откидными панелями
- Плоская плита с головками колонн
- Плоская плита с откидными панелями и оголовками колонн
Использование головок колонок
- Увеличивает прочность плиты на сдвиг
- Уменьшает момент в плите за счет уменьшения свободного или эффективного пролета.
Использование опускных панелей
- Увеличивает прочность плиты на сдвиг
- Увеличивает отрицательную моментную нагрузку плиты
- Повышает жесткость плиты и, следовательно, уменьшает прогиб.
Преимущества плоских перекрытий
Признано, что плоские плиты без откидных панелей могут быть построены в очень быстром темпе , так как каркас конструкции упрощается и уменьшается.Кроме того, быстрого разворота можно добиться, используя систему раннего удара и системы полета.
Конструкция плоских перекрытий может значительно уменьшить высоту от пола до пола, особенно при отсутствии подвесного потолка, поскольку конструкция плоских перекрытий действительно действует как ограничивающий фактор при размещении горизонтальных коммуникаций и перегородок. Это может оказаться выгодным в случае меньшей высоты здания, меньших затрат на облицовку и сборных услуг.
В случае, если заказчик планирует изменения в интерьере и хочет использовать помещение в соответствии с потребностями, конструкция из плоских перекрытий является идеальным выбором, поскольку она предлагает владельцу гибкость .Такая гибкость возможна благодаря использованию квадратной решетки и отсутствию луча, что затрудняет канализацию услуг и выделение разделов.
Толщина плоского перекрытия
Толщина плоской плиты — еще одно очень привлекательное преимущество, поскольку тонкая плита обеспечивает преимущество увеличения высоты от пола до потолка и более низких затрат на облицовку для владельца. Однако существует существенный нижний предел толщины плиты, поскольку для решения проблем проектирования требуются дополнительные арматуры.Помимо этого, необходимо обеспечить дополнительный запас, чтобы облегчить архитектурные изменения на более поздних этапах.
Типы конструкции плоских перекрытий
Множество процессов и методов задействовано в проектировании плоских плит и оценке этих плит на прогиб. Вот некоторые из этих методов:
- Эмпирический метод
- Подрамник
- Метод линии доходности
- Конечно-элементный анализ
Для меньших кадров используются эмпирические методы , но метод подкадра используется в случае более нерегулярных кадров.Проекты концептуализируются с использованием соответствующего программного обеспечения, но факт заключается в том, что использование методов подкадра для очень сложных проектов может быть очень дорогостоящим.
Наиболее рентабельная и однородная установка арматуры может быть достигнута путем применения метода линии текучести . Требуется тщательная визуализация с точки зрения полного изучения отдельных трещин и прогибов, поскольку в этой процедуре используется только механизм разрушения.
Конструкции, имеющие полы с неровными опорами, большими проемами или выдерживающие большие нагрузки, применение анализа методом конечных элементов должно быть очень выгодным.Большое внимание уделяется выбору свойств материала или установке нагрузок на конструкции. Прогибы и ширину трещин также можно рассчитать с помощью анализа методом конечных элементов.
Участки, требующие внимания при проектировании плоских перекрытий
1. Прогибы — Обычно прогибы в центре каждой панели максимальны. Предвидеть отклонения может быть очень непросто и потребует некоторой формы эластичной оценки. При проектировании компоновки конструкции и во время реализации с использованием метода подрамника один из способов оценки прогиба средней панели — использование как минимум двух параллельных полос колонн.
2. Запатентованная система перфорирования пробивных арматурных элементов — В случае конструкции тонких плоских перекрытий необходимо перфорированное армирование.
3. Оптимизация основного армирования — В некоторых процедурах проектирования, особенно в выходных данных линии текучести, оптимизация лучше, чем в других методах проектирования.
Преимущества использования метода строительства плоских перекрытий
- Гибкость планировки помещений
- Экономия в высоте здания
- Сокращение сроков строительства
- Простота установки M&E услуг
- Использование сборной сварной сетки
- Набираемый балл
Гибкость в планировке помещения
Плоские плиты позволяют Architect устанавливать перегородки в любом месте, что позволяет владельцу изменять размер планировки помещения.Использование плоского перекрытия позволяет отказаться от подвесного потолка и отделать перекрытие перекрытия тонким слоем.
Экономия на высоте здания
- Высота нижнего этажа снизит вес здания за счет более низких перегородок и облицовки фасада.
- Приблизительно 10% экономии вертикальных стержней
- Пониженная нагрузка на фундамент
Сокращение сроков строительства
Использование плоских перекрытий требует меньше времени на строительство за счет использования большой опалубки стола.
Одинарный уровень софита
Простота монтажа плоских перекрытий
Все услуги M&E можно монтировать непосредственно на нижней стороне плиты, а не сгибать их во избежание попадания балок.
Использование сборных сварных сеток
Использование сборных сварных сеток сводит к минимуму время установки плоских плит. Эти сетки доступны в стандартном размере и обеспечивают лучший контроль качества при строительстве плоских перекрытий.
Набираемый балл
Это позволяет интегрировать стандартные конструктивные элементы и сборные секции в конструкцию для упрощения строительства. Этот процесс делает структуру более гибкой, сокращает количество рабочих на объекте и увеличивает производительность на объекте, тем самым обеспечивая большую тенденцию к достижению более высокого балла Buildable.
Объяснение типов деревянных полов| Учебный центр BuildDirect® Центр обучения
Перед установкой деревянного пола важно узнать о доступных типах деревянных полов.Изучение плюсов и минусов, стоимости и вариантов дизайна, доступных для ламината, твердой древесины, искусственной древесины твердых пород, бамбука и пробки, поможет выбрать правильный пол для проекта.
Ламинат
ЛаминатЛаминированный пол изготавливается путем сжатия слоев ДВП вместе и размещения фотографического изображения текстуры древесины, камня или плитки на ДВП. После того, как изображение нанесено на поверхность, добавляется защитное покрытие, которое помогает предотвратить повреждение и добавить отделку напольному покрытию.
Это экономичный вариант, который выдерживает определенный износ. Для упрощения установки выберите замок с защелкой. Доски защелкнутся, и их можно будет положить на другой пол. Кроме того, он идеально подходит для жилых помещений, и некоторые бренды могут даже построить его с водонепроницаемой сердцевиной, что позволяет использовать его в областях, где вода может быть проблемой. Предлагаем внимательно ознакомиться с гарантией перед тем, как устанавливать ее в ванной.
Ламинат высшего качества не будет соответствовать внешнему виду полов из настоящего дерева.Области стыковки досок со временем будут значительно изнашиваться, и, если возникнет повреждение, это будет нелегко отремонтировать. Влага легко повреждает ламинат, и когда это повреждение начинается, его невозможно исправить. Если ламинат уложен неправильно, он не будет привлекать потенциальных арендаторов или покупателей.
В зависимости от бренда и стиля, ламинат будет стоить от 0,50 до 6 долларов за кв. Фут. Существует множество стилей, подходящих к любому декору ламината. Качественный ламинат может иметь даже изображения сучков и других характеристик натурального дерева.
Твердая древесина
Полы из твердой древесиныДоски для пола из массивной древесины изготавливаются из куска дерева и имеют толщину от 18 до 20 мм. Доски сделаны с шпунтом и пазом, которые подходят для установки. В зависимости от породы дерева одни полы будут сложнее других. Чем тверже пол, тем меньше он подвержен появлению вмятин и царапин. Пол можно отшлифовать и отполировать несколько раз, чтобы восстановить его красоту, причем общее количество раз определяется глубиной выступа от верха доски.
Массив твердых пород дерева — отличный способ добавить визуальной привлекательности дому или бизнесу. Это также потенциально повысит ценность дома или бизнеса в случае, если позже будет выпущено на рынок.
Твердая древесина твердых пород набухает во влажных условиях и сжимается по мере высыхания поверхности. Изменение формы может изменить внешний вид пола и вызвать проблемы. Монтаж — это сложный процесс, и для лучшего внешнего вида необходимо производить его с большой осторожностью. Это самый дорогой вариант для тех, кто покупает деревянные полы.
Цены будут варьироваться в зависимости от породы древесины и стоимости необработанной формы.
Инженерная древесина твердых пород
Инженерные полыИнженерная древесина твердых пород изготавливается из трех-четырех слоев древесины, склеенных вместе для получения доски толщиной 14 мм. На верхнюю часть накладывается настоящая деревянная поверхность толщиной около 4 мм, чтобы ее можно было отшлифовать и отполировать определенное количество раз, чтобы удалить следы повреждений, износа и разрывов.
Конструкция из твердых пород дерева позволяет получить более стабильный продукт.Большая стабильность означает, что он менее подвержен изменениям температуры и влажности в помещении. Этот тип пола более привлекателен, чем пол из ламината, но также дешевле, чем пол из твердой древесины.
В зависимости от стиля и бренда, паркетные полы будут стоить от 2 до 11 долларов за квадратный фут. Паркетные полы бывают разных стилей и подходят к любому интерьеру.
Бамбук
Бамбуковые полы производят из стеблей бамбуковой травы, распространенной в Азии.Полы производятся в Китае и бывают разных стилей и отделок, подходящих к различным вариантам декора. Так как это тропическая трава, а не древесина для деревьев, она естественно устойчива к влаге. Полы производятся путем прессования волокон под высоким давлением.
Бамбук не только устойчив к влаге, но и является экологически чистым и является оптимальным выбором для тех, кто хочет строить «зеленые». Растение растет быстрее, и ему требуется меньше времени для повторного роста, чем у типичного дерева лиственных пород, поэтому оно не способствует обезлесению.Бамбуковые полы мягче традиционных твердых пород дерева, поэтому они не причинят боли, если на них будут стоять длительное время. Мягкость пола также снизит шум.
Недостатками бамбука являются его стоимость и хрупкость. Несмотря на то, что это прочный тип напольного покрытия, он более подвержен царапинам и царапинам, чем другие деревянные полы. Из-за стоимости импорта из Китая и осторожности, которую необходимо соблюдать при установке, это намного более дорогой вариант, чем традиционная древесина твердых пород.
Стоимость бамбуковых полов колеблется от 2 до 8 долларов за квадратный фут.
Пробка
Пробковые полы используются для сбора коры пробкового дуба. Эти деревья широко выращиваются в Испании, Португалии, Алжире, Италии, Марокко и Тунисе.
Одна из лучших особенностей пробковых полов — то, что они безвредны для окружающей среды, потому что пробка — это экологически чистый и возобновляемый ресурс. Естественная красота материала подойдет к любому декору. Структура пробки обеспечивает естественный комфорт и мягкость для поглощения ударов.Вот почему пробковые полы хорошо подходят для тех мест, где люди будут находиться на ногах в течение длительного периода времени. Использование пробковых полов снизит шум от транспорта или падающих предметов, в том числе из-за структуры пробкового материала. Природные свойства материала делают его здоровым, потому что он не только устойчив к насекомым, но и гипоаллергенен.
Один из недостатков пробкового пола — это стоимость. Это дороже других вариантов деревянных полов. Стоимость импорта, плюс материалы, плюс установка — это больше, чем могут позволить себе многие бюджеты.Из-за мягкости пола его легко повредить мебель и обувь, но его можно и нужно защищать, как и любой другой деревянный пол.
Стоимость пробкового пола начинается от 3 долларов за плитку. Цена увеличивается, если речь идет о досках и пятнах.
Более подробная информация о характеристиках деревянных полов этих типов значительно упростит выбор для любого проекта. Убедитесь, что вы выбрали лучший с учетом вашего бюджета, местоположения и декора.
Этажей — Типы этажей
Перейти к основному содержаниюДополнительное меню
- Насчет нас
- Контактная информация
- Дом
О гражданском строительстве
- Дом
- Гражданские ноты
Банкноты
- Строительные материалы
- Строительство зданий
- Механика грунта
- Геодезия и выравнивание
- Ирригационная техника
- Инженерия окружающей среды
- Дорожное строительство
- Инфраструктура
- Строительная инженерия
Лабораторные заметки
- Инженерная механика
- Механика жидкости
- Почвенные лабораторные эксперименты
- Экологические эксперименты
- Материалы Испытания
- Гидравлические эксперименты
- Дорожные / шоссе тесты
- Стальные испытания
- Практика геодезии
- Загрузки
- Исследование
- Учебники
Учебные пособия
- Primavera P3
- Primavera P6
- SAP2000
Полы из полимерной смолы — Руководство по типам полимерных полов и покрытий
Ни один полимерный пол не справится со всем этим.Наша лаборатория провела испытания и знает реальность: чтобы обеспечить помещения действительно эффективными решениями для бетонных полов, требуется широкий спектр вариантов промышленных полимерных покрытий для полов. Предлагаемые нами варианты полимерных покрытий — одна из наиболее полных доступных сегодня, что дает вам выбор, необходимый для защиты и ухода за напольными покрытиями вашего предприятия.
Что такое полимерные полы?
Полы из полимерной смолы — это широко распространенное напольное покрытие. В этой системе используется смесь материалов для создания поверхности из твердой смолы.Этот раствор применяется в жидком виде, создавая бесшовную систему полов. Полы из смолы невероятно долговечны и долговечны. Некоторые более толстые типы полимерных полов могут быть даже тверже, чем бетон.
Комбинируя наши различные смолы со специфическими химическими отвердителями, полученные запатентованные системы достигают желаемого уровня химической стойкости. Таким образом, напольные покрытия из смолы могут годами выдерживать жесткие чистки в тяжелых условиях, что делает их жизнеспособным вариантом для широкого спектра применений.
Дополнительные добавки могут быть включены в полимерные полы для достижения желаемых эффектов, например, промышленные или декоративные заполнители, различные пигменты, декоративные разноцветные хлопья или смеси натуральной слюды.
Преимущества полимерных полов и полимерных покрытий
Полы из смолыобладают множеством преимуществ для объектов повсюду, например:
Химическая стойкость
Полы из смолыотличаются прочностью и устойчивостью к агрессивным химическим веществам. В зависимости от выбранной системы материалы, используемые в напольных покрытиях из смолы, могут выдерживать годы строгих режимов очистки.Это помогает избежать трещин и повреждений, которые сильные химические вещества могут нанести другим типам промышленных полов.
Легко чистится
Поскольку эти системы являются бесшовными, их обычно можно очищать более тщательно и эффективно. У микробов меньше укрытий в монолитных полах, покрытых жидкостью, по сравнению с многочисленными швами и щелями в плиточном полу. С бесшовным полом регулярная уборка поможет более эффективно избавить помещение от вредных патогенов.
Гибкие варианты конструкции
Полы из смолымогут включать в себя множество вариантов дизайна. Эти решения полностью настраиваемы. Предприятие может выбирать из множества цветов, а также из интересных декоративных элементов, таких как разноцветные хлопья. С напольными покрытиями из смолы нет необходимости жертвовать эстетикой в пользу долговечности.
Какие помещения используют полимерные полы?
Практически на каждом предприятии можно ощутить преимущества полимерных полов.Бесшовные поверхности отлично зарекомендовали себя в самых разных коммерческих, институциональных и промышленных условиях.
Полы из смолы чрезвычайно универсальны. Мы видели, как его используют везде, от лабораторий до продуктовых магазинов. Предприятия, которые должны соответствовать определенным требованиям к чистоте, часто выбирают полимерные полы для поддержки своих санитарных программ. Медицинские учреждения, коммерческие кухни, предприятия пищевой промышленности, школы, рестораны и многие другие извлекли выгоду из гигиенических преимуществ полимерных полов.
Типы полимерных полов
Существует много типов полимерных полов, наносимых жидким слоем. Некоторые из самых универсальных относятся к категориям напольных покрытий из эпоксидной смолы и уретана.
Эпоксидные полы
Эпоксидные полы — это часто используемое гигиеническое решение. Поскольку она бесшовная, ее удобно чистить. Этот тип жидкой системы может быть исключительно выгодным решением для предприятий, которым требуется долговечная, но эстетичная система. Эпоксидные смолы могут включать в себя декоративные хлопья или заполнители и предлагать широкий спектр цветов, что позволяет вам спроектировать пол, который соответствует как вашим торговым, так и эксплуатационным потребностям.
Полы уретановые
Уретановые или полиуретановые смолы составляют несколько различных типов покрытий и обладают уникальными эксплуатационными свойствами. Например, уретановый раствор, иногда называемый «цементирующим уретаном», идеально подходит для экстремальных условий эксплуатации. Некоторые разновидности могут быть установлены на толщину полдюйма и более. Напротив, тонкопленочные верхние покрытия из высокоэффективного уретана часто наносятся поверх эпоксидных полов для дальнейшего повышения твердости поверхности, стойкости к истиранию и химической стойкости.
Почему мы предлагаем больше типов полимерных полов
Почему в нашей линейке напольных покрытий из полимерной смолы более пяти различных типов вместо обычных одного или двух? Поэтому мы можем предложить оптимальные решения для таких клиентов, как вы.
Если ваше предприятие представляет собой завод по переупаковке химикатов, где полы должны выдерживать частые капли и разливы кислот или щелочей с высокой концентрацией, ваш бетон требует особой защиты. требует чего-то более прочного, чем стандартный эпоксидный пол. Скорее всего, у нас есть подходящие промышленные полы из полимерной смолы для работы, какой бы жесткой она ни была.
Посмотрите наши рекомендуемые системы полов
Если у вас плиточный пол с проблемами паропропускания (MVT), вы можете столкнуться с возможным отслоением и образованием пузырей практически с любым типом напольного покрытия — кроме системы из такой комплексной линии, как эта:
- Системы эпоксидных полов, включая решения по снижению воздействия MVT
- Тонкопленочные уретановые финишные покрытия
- Полы из полиаспарагиновой кислоты
- Полы из цементно-уретанового раствора
- Эластомерные эпоксидно-уретановые подкладки
- Вторичные защитные покрытия из сложного винилового эфира
Наша сеть специалистов по установке промышленных полимерных полов может проверить ваш бетонный пол на влажность.Затем с помощью нашей технической команды они подберут правильный базовый слой, снижающий влажность, для вашей системы декоративного покрытия с высокими эксплуатационными характеристиками. Все это является частью предлагаемого нами полного решения по напольным покрытиям благодаря широкому ассортименту полимерных полов в нашей линейке.
Какая промышленная полимерная смола для полов подходит для вашего предприятия?
С таким большим выбором полимерных покрытий, как узнать, какое напольное покрытие из полимерной смолы подходит для вашего предприятия? Каждый бетонный пол индивидуален, и даже в пределах одного объекта вам может потребоваться несколько типов напольных покрытий в зависимости от различных требований к характеристикам.Даже сами бетонные плиты могут отличаться по составу и характеристикам от комнаты к комнате.
Наша команда экспертов по промышленным полимерным покрытиям упрощает задачу. Наши региональные технические представители, местные утвержденные установщики, лаборатории и техническая команда работают вместе, чтобы предоставить вам и вашему предприятию оптимальные варианты покрытия смолой.
Рекомендуемые напольные системы и типы полимерных полов

Плиты перекрытия ПБ представлены в расширенном ассортименте. Формируются изделия на специальном стенде большой длины. Предварительно он обрабатывается веществом, препятствующим прилипанию бетона. Затем производится монтаж арматуры и установка пустообразователей. На линию в движении накладывается бетонная смесь класса В30 и более. Далее производится нагрев до достижения максимальной прочности и разрезание полотна по заданной длине.
Бетонные перекрытия делятся на несколько подвидов:
