Ленточный фундамент с колоннами: Ленточный фундамент под колонны: расчет и заливка
Ленточный фундамент под колонны: расчет и заливка
На колонну обычно приходится вес части здания. Поэтому для этого архитектурного элемента также сооружают фундамент. Тяжелые по весу колонны, выполненные из кирпича или камня, могут потребовать соответствующую основу. В таком случае обычно рекомендуют ленточный фундамент под колонны, но есть и другие популярные решения.
Содержание
Виды фундаментов для колонн
Кроме монолитного ленточного фундамента под колонны, можно встретить следующие типы:
- столбчатая опора,
- сваи.
Столбчатая опора
Столбчатая опора, она же столбчатый фундамент – еще один способ сооружения основания для колонны. Во-первых, такое основание используется в тех случаях, когда вес, приходящийся на колонну, не будет слишком большим. Это уместно сделать, например, при строительстве сравнительно легкого каркасного дома.
Однако у столбчатого типа есть существенный плюс: он подходит для установки на слабых почвах и даже в заболоченной местности.
Это один из наиболее быстровозводимых и при этом экономически целесообразных вариантов.
Во-вторых, столбчатый фундамент обычно не предусматривает устройства цоколя, полуподвального этажа под колонной. Важный плюс этого способа: сравнительного невысокая цена, особенно по сравнению с монолитным ленточным способом.
Детали столбчатого фундамента:
- полый или полнотелый подколонник
- плитная ступенчатая часть (в среднем от 1 до 5 ступеней)
Важно: У столбчатой опоры большая глубина залегания – до 5-6 м. Это делает ее хорошим выбором для почв с большой глубиной промерзания и пучинистостью.
Некоторые наиболее распространенные виды столбчатых опор для колонн:
- деревянные: с наиболее узким использованием, только для деревянных колонн
- кирпичные: используются в одноэтажном строительстве при небольшом весе
- железобетонные: под металлические тяжелые колонны подходит только этот армированный вариант
Но и это еще не все типы, на которые подразделяются столбчатые фундаменты.
Монолитное основание
Монолитный железобетонный фундамент под колонну – надежное решение. На бетонное основание монтируется колонна из железобетона или металла. Железобетонный фундамент может выполняться как в монолитном варианте, так и быть сборным из готовых заводских частей. Сборные части в строительстве называются «стаканами».
А монолитные – «столпы». Если быть точным, то к группе монолитных оснований относятся следующие типы:
- ленточный
- столбчатый
- свайный
Каждый из типов применяется в конкретном случае: наличие стен между колоннами, влажность и слабость почвы, наличие значительного количества осадков и другое.
Упор на сваи
Сваи в качестве основы для опор часто используются для каркасных легких строений. Выделяют следующие типы свай для колонн:
- бетонные
- стальные винтовые
Интересно: Со столбчатыми фундаментами этот тип объединяет наличие ростверка.
Это верхняя часть основания, у которой важная задача: распределять нагрузку на оставшуюся часть достаточно равномерно. В качестве ростверка чаще всего выступает рама из железобетона. Но для винтовых свай из стали можно использовать металлические ростверки.
Чаще всего монтаж опор производится не на одиночную сваю, а на так называемый «куст» — несколько свай длиной в несколько метров. На них крепится ростверк, и уже после приступают к возведению самой колонны.
Несколько ростверков можно соединять вместе, например, монолитными балками. Отверстия для свай чаще всего сооружаются при помощи бура, в получившиеся пустоты устанавливается опалубка для строительства монолитных типов фундамента.
Ленточная заливка
Ленточный тип экономически нецелесообразен для монтажа колонн, за исключением нескольких вариантов, где без него действительно не обойтись.
Заливные бетонные ленты – хорошая основа для стен, которые располагаются прямо между возводимыми колоннами.
В таком случае – это хороший выбор, к тому же надежный. Колонны и стены получат единый фундамент, а значит, нагрузка будет распределена достаточно равномерно.
Колонны – один из наиболее уязвимых архитектурных элементов, часто страдающих от некачественно выполненной проектной работы и расчетов. Но при крене и проседании хотя бы одной из колонн опасности подвергается все здание.
С ленточной заливкой этого чаще всего удается избежать. Второй безусловный плюс этого способа: включение колонн в ступенчатый фундамент, который применяется для строительства в гористой местности со значительным уклоном. В таком случае основания колонн также будут включены в единый ансамбль фундамента. Но и этот способ потребует усиления в местах монтажа колонн.
Монтаж фундамента под одиночную колонну
Фундамент под одиночную колонну, не соединяющийся с другими блоками фундамента, чаще всего свайный или столбчатый. Он не сооружается без проектных расчетов: принимается во внимание ожидаемый вес нагрузки, а также залегание грунтовых вод и состояние почвы.
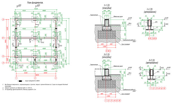
На предварительном этапе приступают к расчистке территории от любого мусора, ветвей и камней. Разметку делают при помощи нитей и колышков, это будут границы будущей траншеи вместе с местом под опалубку. Чаще всего для рытья используют бур.
После выема грунта сооружают песчано-гравийную подушку для основания, поверх которой укладывают рубероид. Дощатая опалубка также выстилается рубероидом. Заливка монолитного варианта производится бетоном не меньше марки М400 – М600 – в зависимости от расчетного веса. Для монтажа металлических колонн понадобится анкерный крепеж. Расчет производят при помощи калькулятора фундамента.
Монтаж ленточного фундамента с колонной
На начальном этапе происходит подготовка площадки для строительства всего дома в целом, вместе с одной колонной или несколькими.
Характерной чертой этого способа является то, что заливка бетоном будет производиться в течение одного дня для всех архитектурных элементов: стен и колонн.
Как правило, при таком подземном способе соединения колонн и стен важен материал, используемый впоследствии для возведения стен. Это могут быть шлакоблоки, кирпич, газобетон и другие варианты.
Разметка и земляные работы
До начала разметки с участка под строительство удаляется сор, камни, ветви и опавшие листья. На пересеченной местности производят выем почвы в верхней части склона для создания ровной площадки. Затем начинают разметку с нитями и колышками при помощи уровня и других специальных инструментов.
Рытье траншеи под фундамент, в том числе для колонн, начинают с нижней части склона, если на участке имеется уклон, а также следят за углом образующегося котлована, чтобы не допустить осыпания грунта. Работы не должны вестись без сверки с проектной документацией.
Существуют два основных способа усиления ленточного фундамента в местах возведения колонн:
- усиление армированного пояса
- углубление самого заливного фундамента
Один или оба способа выбираются исходя из проектных расчетов.
Во втором случае могут производить не только углубление, но и расширение мест для оснований колонн. Как правило, эта система используется для установки готовых заводских «стаканов» в состав цельного ленточного фундамента.
Армирование
Для плетения армированной сетки для фундамента под стены используется арматура с толщиной до 20 мм, которая связывается вязальной проволокой достаточной толщины. Для мест планируемого монтажа колонн выбирают арматуру с большим диаметром.
К тому же если при стандартной заливке фундамента под стены арматура остается в толще застывшей бетонной смеси, то колонны нарушают эту плоскую картину торчащими вверх пучками арматуры. Она необходима для возведения после застывания бетонной смеси. Так называемые «выпуски» арматуры, анкера для крепежа и закладные устанавливают до того, как будет производиться заливка.
youtube.com/embed/4OD4wOkYUKI?feature=oembed» frameborder=»0″ allow=»accelerometer; autoplay; clipboard-write; encrypted-media; gyroscope; picture-in-picture» allowfullscreen=»»>Заливка
Чтобы залить траншеи бетоном без воздушных карманов, понадобится автоматический вибрирующий инструмент. Используется бетонная смесь на основе щебня и бетона марок М400 – М600 – в зависимости от проектных расчетов и предполагаемой нагрузки на колонны.
После заливки фундамент накрывается специальной пленкой. Заливка производится в траншею из опалубки с распорками, выстланную рубероидом. Уже через 3-5 дней происходит первичное схватывание смеси.
Воспользовавшись основными рекомендациями, изложенными в статье, можно досконально разобраться в тонкостях и нюансах обустройства ленточного фундамента под колонны.
Ленточный фундамент под колонны 👉 как сделать, из какого материала
Обновлено: Дмитрий Черкасов 6 мин.
Колонна — обязательная составная часть каркасных сооружений сборного типа, требуется подготовка основания. Здание, своды из железобетона или металла, обшивка создают большой вес, сильно давят на грунт. Поэтому нужно заложить надежный фундамент, который хорошо распределяет нагрузку.
Какие виды фундаментов подходят для колонн
Большая часть фундаментов делится на две крупные категории – монолитные и сборные. Сборная опора — результат кладки блоков на цементно-песчаный раствор, но под колонны производят основания на заводах по утвержденным стандартам. Уже отвердевшие, просохшие изделия привозят на нужное место для монтажа. Монолиты заливают на месте, формируя единую конструкцию без переходов, стыков, швов.
Особенность сооружения с колоннами — каждая принимает нагрузку отдельно и является самостоятельной частью, но при разрушении или перекосе одного участка деформируется вся постройка.
Подвидов оснований много, но лучше рассмотреть четыре вида фундаментов, на основании описанных критериев делать выбор.
Столбчатая опора
Предполагает сильное заглубление столбов, ниже уровня промерзания грунта, часто глубже 2 м.
Столбы могут быть готовыми, то есть, из железа или железобетона. Остается купить материал, привезти, нанять спецтехнику – оборудование, которое будет вбивать опоры в грунт на нужных точках.
Заливные конструкции предполагают копку точечных углублений с бетонированием. Столбы создают на месте, путем заливки раствора с каркасным усилением из арматуры.
Подходит для болотистых мест, слабых грунтов, но углублять элементы нужно сильно, иначе зимой почва начнет пучиниться и выдавит столпы.
Столбчатый фундамент, обычно, задействуют для легких построек, по типу маленького дачного домика или сооружения технического назначения.
Ленточная заливка
Если по утвержденной планировке свободное пространство между колоннами будет заполняться кладкой кирпичей, газобетонными блоками или шлакоблоками, используют ленточный фундамент.
Бетон заливается по контуру каждой стены, но внутри, там, где должен быть пол, нет ничего, свободное пространство. Значительно экономятся временные, финансовые ресурсы, готовое основание по техническим параметрам не уступает наиболее прочному аналогу – монолиту.
Монолитное основание
Прочный монолит — цельная железобетонная плита. Под небольшие постройки можно привезти и положить готовую плиту, но для более весомых строений требуется заливка на месте.
На нужном участке размечается внешний контур здания, внутренняя часть отмеченной территории освобождается от плодородного слоя земли. Затем, выполняется засыпка подушки из песка, щебня, устилается площадь строительного полиэтилена в два слоя, либо рубероида. Изоляцию кладут сильно внахлест.
Для укрепления, вяжут несколько отдельных участков арматуры, укладывают на места, последовательно соединяют. Остается навести бетонный раствор, выполнить постепенно полную заливку, придавая усадку строительным вибратором.
Для заливки монолита лучше брать большую бетономешалку, которая обеспечит наведение наиболее качественного раствора. Можно наводить порции больше, чем можно вылить за один подход – постоянное вращение не даст цементу затвердеть.
После снятия опалубки, конструкцию оставляют просыхать еще минимум на месяц.
Упор на сваи
Свайные опоры сильно схожи со столбчатыми, но различаются. Применяются на участках с насыпным грунтом, болотистых почвах с высоким уровнем протекания подземных вод.
Сваи имеют сверху приваренную площадку, а внизу винтовые режущие кромки, которые позволяют вкручивать изделие глубоко внутрь почвы.
В зависимости от конкретного участка, величины предполагаемой нагрузки, выбирают сваи подходящего размера.
Для вкручивания элементов используют оборудование, либо приглашают пару помощников, берут пару ломов и отрезков трубы. Ручное вкручивание предполагает, что сначала в технические отверстия под верхней свайной площадкой заводят концы ломов, а с другой стороны насаживают патрубки.
Один человек остается в середине удерживать сваю, выравнивать ее по уровню, пока двое других вкручивают. Когда столб войдет в грунт хотя бы на половину, можно продолжить работу одному.
Предварительные расчеты
Перед заливкой выполняют обязательные вычисления. Нужно правильно рассчитать будущую нагрузку от здания, с учетом облицовочной отделки, техники, мебели, людей.
По результатам вычислений находят предполагаемую массу, уровень давления на местную почву. Чем тяжелее конструкция, либо рыхлее грунт, тем глубже должен закладываться фундамент.
Плотность земли на участке важна. Перед строительством рекомендуется изучить грунт, собрать сведения об особенностях климата.
Плотная земля лучше воспринимает нагрузку от здания. Чем больше опорная площадь у фундамента, тем большую нагрузку основание сможет распределить без разрушений. Даже если грунтовая влага пролегает высоко, почва может промерзать несколько ниже, эти два параметра могут быть одинаковыми, но это не всегда так.
Засчитываются неровности ландшафта, разные вкрапления в общий состав почвы. Требуется сделать фундамент, чтобы возлагаемая масса перераспределялась равномерно.
Этапы процесса сооружения фундамента
Начало заложения фундамента знаменуется расчисткой строительного участка, нанесением разметки. Чтобы сформировалась ровная лента, по схеме вбивают колышек в вершину одного из углов, от него отмеряют нужное расстояние до следующей точки. Вбивают колышки, с шагом до 2,5 м, очерчивая внешний контур, затем внутренний, либо наоборот.
На каждую вбитую деревяшку последовательно наматывается, сильно натягивается шнур. Получается физическая проекция, позволяющая поставить штык лопаты наиболее ровно.
Затем, выкапывается траншея, выполняется насыпная прослойка, устилается гидроизоляция. Остается поставить опалубку, положить арматуру, залить бетон.
Ленточный монолит
Сразу размечается вся постройка, точнее, каждая стена и перегородка, выкапывается единая траншея по контуру будущего дома.
Стенки заравнивают, дно уплотняют, устилают геотекстилем. Вниз засыпают слой щебня, тщательно трамбуют, затем, насыпают песок, увлажняют чистой водой и тоже уплотняют. Общая толщина каждого слоя составляет 10-15 см.
Поверх насыпной подушки настилают гидроизолирующий материал, чаще используют рубероид.
Опалубку (форму для бетона) собирают из деревянных досок, формируя щиты. Элементы соединяются гвоздями, поперечными балками, шпильками для фиксации углов. Сначала, заготавливают щиты, потом, их ставят на место, скрепляя между собой. Снаружи выставляют боковые подпорки, чтобы форму не повело под давлением бетона.
Чтобы древесина не вытягивала влагу из раствора, не поглощала цементное молочко, стенки изнутри устилают полиэтиленовой пленкой.
Готовая к бетонированию опалубкаАрмирующий каркас делают из прутов арматуры, где продольные прутки, с сечением 8-12 мм, поперечные — 6-8 мм. Скрепляют сварочным аппаратом, вязальной проволокой.
Внутрь опалубки укладывают арматурные заготовки, сцепляют, усиливая угловые повороты, приступают к заливке раствора.
Смесь наводят порционно, после заливки выполняют разравнивание, усаживают вибратором, либо много раз протыкают тонким прутом арматуры. По завершении, укрывают полиэтиленом. Через 7-10 дней опалубку демонтируют, спустя еще 3 недели начинают строительство.
Фундамент влияет на целостность, сохранность здания. Колонны обладают точечной нагрузкой, большой массой, что потребует прочного, устойчивого к давлению основания. Ленточная форма доступна к самостоятельному исполнению.
Основные универсальные рекомендации по возведению основания под колонны можно посмотреть в следующем видео:
Средняя оценка
оценок более 0
Поделиться ссылкой
Создание ленточного фундамента | Помощь пользователям Tekla
Перейти к основному содержанию
- Главная
- Tekla Structures
- Создание моделей
- Создание деталей, армирования и строительных объектов
- Создание деталей и изменение свойств деталей
- Создание ленточного фундамента
Tekla Structures
2023
Текла Структурс
- На
Вкладка Бетон, нажмите
Фундамент > Ленточный фундамент.

- Выберите точки, через которые должен проходить фундамент.
- Щелкните средней кнопкой мыши.
- Если вы хотите создать изогнутые сегменты, скосить углы фундамента.
В качестве альтернативы вы можете запустить команду на панели свойств.
Убедитесь, что в модели ничего не выбрано.
На панели свойств щелкните список Тип объекта кнопка и выберите Ленточный фундамент из списка.
Tekla Structures запускает команду и показывает свойства на панели свойств.
- Если панель свойств не открыта, дважды щелкните ленточный фундамент, чтобы открыть Свойства ленточного фундамента.
- Измените свойства по мере необходимости.
- Щелкните Изменить.
Используйте свойства ленточного фундамента на панели свойств для просмотра и изменения свойств ленточного фундамента.
Чтобы открыть свойства, дважды щелкните ленточный фундамент. Расширение имени файла
файл свойств ленточного фундамента — *.
csf.
Если вы настроили свойство макет панели, список свойств может отличаться.
Настройка | Описание |
|---|---|
Общие | |
Имя | Определяемое пользователем имя ленточного фундамента. Имя может содержать не более 61 персонажи. Tekla Structures использует имена деталей в отчетах и в Диспетчер документов и для идентификации частей одного типа. |
Профиль | Профиль ленточного фундамента. |
Материал | Материал ленточного фундамента. |
Готово | Тип отделки. Готово определяется пользователем. Он описывает, как была обработана поверхность детали. обработанный. |
Класс | Используется для группирования ленточных фундаментов. Например, вы можете отображать детали разных классов разными цветами. |
Позиция | |
В самолете | Полоса положение опоры на рабочей плоскости относительно опорная линия фундамента. |
Вращение | Вращение ленточного фундамента вокруг своей оси на рабочая плоскость. |
На глубине | Позиция
глубина ленточного фундамента. |
Конец компенсировать | |
Дх | Изменить длина ленточный фундамент, перемещая конечную точку фундамента вдоль опорной линии фундамента. |
Дай | Переместить полоса конец фундамента перпендикулярен опорной балке линия. |
ДЗ | Переместить
полоса
фундамент в направлении z рабочей плоскости. |
Литой элемент | |
Нумерация отлитых элементов | Префикс детали и начальный номер детали номер позиции. |
Литой элемент | Укажите, является ли ленточный фундамент сборным или литой на месте. |
Фаза заливки | Залить
этап отливки деталей. |
Гибка | |
Самолет | Самолет кривизна. |
Радиус | Радиус криволинейного ленточного фундамента. |
Количество сегментов | Количество сегментов, которые Tekla Structures использует при рисовании кривых. |
Бетонные крышки для наборов арматуры | |
Система координат | Выберите, будет ли бетонное покрытие толщина наборов арматуры в детали задается в глобальной координате системе или в локальной системе координат детали. Глобальный и локальные значения толщины покрытия определяются в Диалоговое окно параметров. Если выбрать пустой вариант, Tekla Structures использует глобальные значения. |
Сверху, снизу, по бокам, спереди, сзади, начало, конец | Чтобы переопределить глобальные или локальные значения по умолчанию из
диалоговом окне «Параметры», определите толщину покрытия для каждого
необходимая деталь лица. |
МФК экспорт | |
Организация МФК | 903:30|
Подтип (IFC4) | |
Пользовательский тип (IFC4) | |
Подробнее | |
пользовательских атрибутов | Нажмите кнопку Пользовательские атрибуты, чтобы открыть
атрибуты (UDA) детали. |
Чего не хватает?
Предыдущий СледующийТипы фундаментов и их использование в строительстве зданий
Фундамент — одна из наиболее важных частей конструкции, которая передает нагрузки конструкции на нижележащий грунт. Выбор подходящих типов основания обычно зависит от следующих факторов:
- Глубина грунта, на которой существуют безопасные несущие слои.
- Тип и состояние почвы.
- Тип надстройки.
Типы фундаментов
Различные типы фундаментов, используемых для строительства зданий, описаны ниже:
- Фундамент стены/ленточный фундамент.
- Распорные фундаменты
- Изолированные фундаменты.
- Ступенчатые фундаменты.
- Комбинированные фундаменты.
- Наклонные фундаменты.

- Матовый или плотный фундамент.
- Фундаменты ленточные
- Свайный фундамент.
1. Ленточный фундамент
Ленточный фундамент является элементом мелкозаглубленного фундамента, который распределяет вес несущей стены по площади грунта. Его также называют стеновым основанием.
Этот тип фундамента обычно используется в качестве основания несущих стен, где грунт имеет хорошую несущую способность.
2. Распорный фундамент
Как следует из названия, распор дается под основанием фундамента, чтобы нагрузка конструкции распределялась на большую площадь грунта таким образом, чтобы обеспечить безопасную несущую способность грунта. не превышен.
3. Изолированные фундаменты
Эти типы фундаментов могут быть квадратными, круглыми или отдельными прямоугольными плитами одинаковой толщины, расположенными под каждой колонной.
4. Ступенчатые фундаменты
Основная цель использования ступенчатых фундаментов состоит в том, чтобы уберечь металлические колонны от прямого контакта с почвой, чтобы защитить их от воздействия коррозии.
Этот тип фундамента используется, чтобы нести нагрузку металлических колонн и передавать эту нагрузку под землю.
5. Комбинированные фундаменты
Когда две или более колонны опираются на фундамент, это называется комбинированным фундаментом. Такой тип фундамента может быть прямоугольным или трапециевидным в плане. Комбинированный фундамент предоставляется в следующих случаях.
• Когда колонны расположены близко друг к другу, а их отдельные основания перекрываются.
• Грунты с низкой несущей способностью, требующие большей площади под индивидуальное основание.
• Конец колонны находится рядом с границей участка, и фундамент не может быть расширен.
6. Ленточный фундамент
В этом типе фундамента внешняя и внутренняя колонны соединены ленточной балкой и не передают никакой нагрузки на грунт.
Отдельные площади оснований колонн устроены таким образом, что ЦТ суммарных нагрузок двух колонн проходит через ЦТ двух площадей оснований.

Это верхняя часть основания, у которой важная задача: распределять нагрузку на оставшуюся часть достаточно равномерно. В качестве ростверка чаще всего выступает рама из железобетона. Но для винтовых свай из стали можно использовать металлические ростверки.


Позиция
всегда перпендикулярно рабочей плоскости.
Используйте для разделения
выливать предметы один из другого.
ленточный фундамент.
UDA предоставляют дополнительную информацию о
часть.